Manual

AT27C010(L)
5
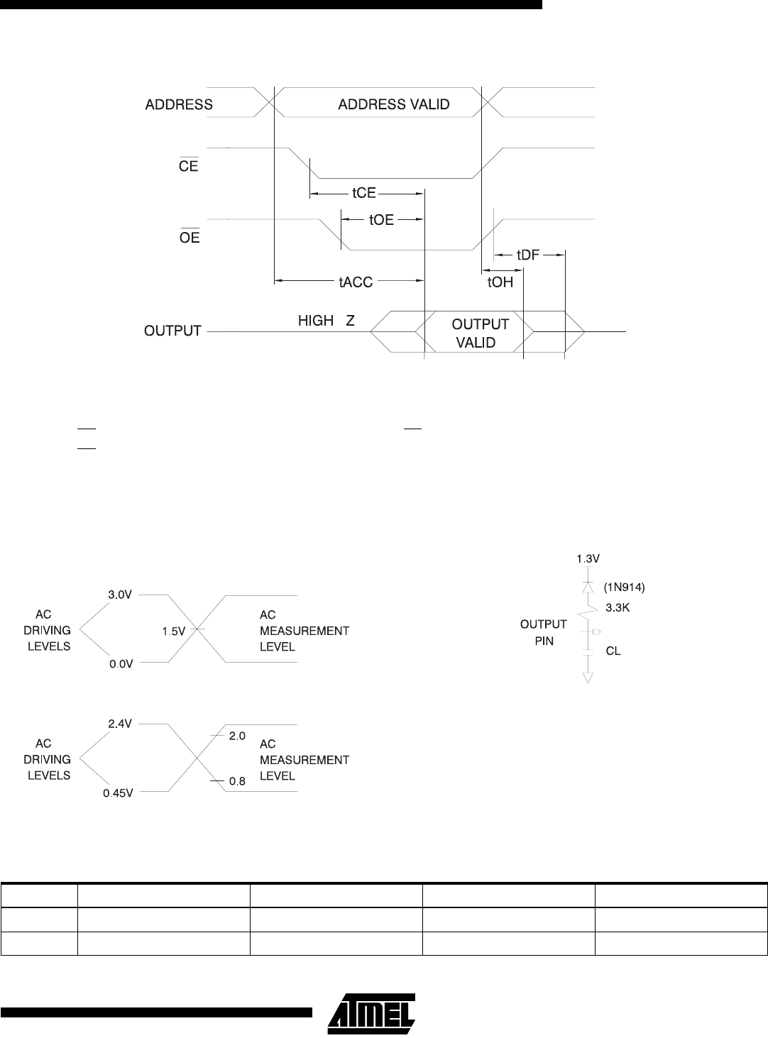
AC Waveforms for Read Operation
(1)
Notes: 1. Timing measurement reference level is 1.5V for -45 and -55 devices. Input AC drive levels are V
IL
= 0.0V and V
IH
= 3.0V.
Timing measurement reference levels for all other speed grades are V
OL
= 0.8V and V
OH
= 2.0V. Input AC drive levels are
V
IL
= 0.45V and V
IH
= 2.4V.
2. OE may be delayed up to t
CE
- t
OE
after the falling edge of CE without impact on t
CE
.
3. OE
may be delayed up to t
ACC
- t
OE
after the address is valid without impact on t
ACC
.
4. This parameter is only sampled and is not 100% tested.
5. Output float is defined as the point when data is no longer driven.
Input Test Waveforms and
Measurement Levels
Output Test Load
Note: 1. Typical values for nominal supply voltage. This parameter is only sampled and is not 100% tested.
t
R
, t
F
< 5 ns (10% to 90%)
For -45 and -55 devices only:
t
R
, t
F
< 20 ns (10% to 90%)
For -70, -90, -12, -15, and -20 devices:
Note: C
L
= 100 pF including jig
capacitance, except for
the -45 and -55 devices,
where C
L
=30pF.
Pin Capacitance
f = 1 MHz, T = 25°C
(1)
Symbol Typ Max Units Conditions
C
IN
48pFV
IN
= 0V
C
OUT
812pFV
OUT
= 0V










