Manual
Table Of Contents
- Pin Configurations
- DC and AC Operating Conditions
- Features
- Logic Diagram
- Description
- Absolute Maximum Ratings*
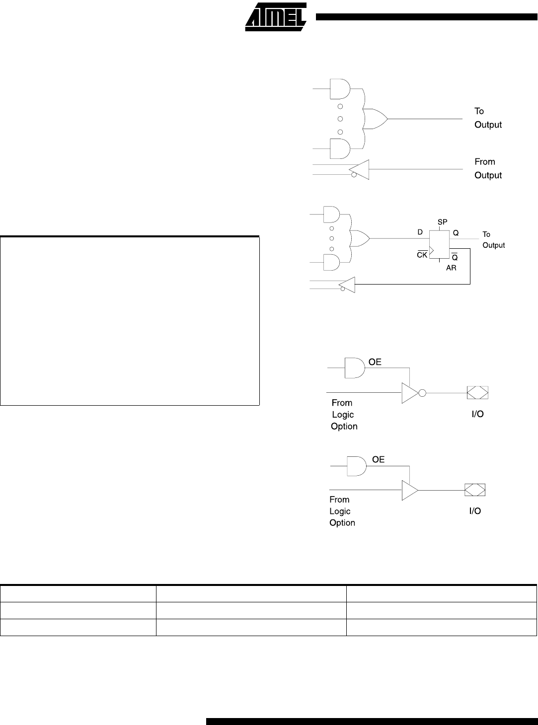
- Logic Options
- Output Options
- DC Characteristics
- AC Characteristics for the AT22LV10
- AC Waveforms(1)
- AC Characteristics for the AT22LV10L
- Input Test Waveforms and Measurement Levels
- Output Test Loads
- Functional Logic Diagram AT22LV10(L)
- Preload of Registered Outputs
- Power-up Reset
- Pin Capacitance
- Erasure Characteristics
- Ordering Information
- Using “C” Product for Industrial

AT22LV10(L)
2
Full CMOS output levels help reduce power in many other
system components.
The AT22LV10 and AT22LV10L logic architectures are
identical to the familiar 22V10. Each output is allocated
from eight to 16 product terms, which allows highly
complex logic functions to be realized.
Two additional product terms are included to provide
synchronous preset and asynchronous reset. These terms
are common to all ten registers. All registers are automati-
cally cleared upon power-up.
Register preload simplifies testing. A security fuse prevents
unauthorized copying of programmed fuse patterns.
*NOTICE: Stresses beyond those listed under “Absolute Maxi-
mum Ratings” may cause permanent damage to the
device. This is a stress rating only and functional
operation of the device at these or any other condi-
tions beyond those indicated in the operational
sections of this specification is not implied. Expo-
sure to absolute maximum rating conditions for
extended periods may affect device reliability.
Note: 1. Minimum voltage is -0.6V DC which may undershoot
to -2.0V for pulses of less than 20 ns. Maximum pin
voltage is V
CC
+ 0.75V DC which may undershoot to
V
CC
+ 2.0V for pulses of less than 20 ns.
Logic Options
Output Options
Absolute Maximum Ratings*
Temperature Under Bias................................ -55°C to +125°C
Storage Temperature..................................... -65°C to +150°C
Voltage on Any Pin with
Respect to Ground ........................................-2.0V to +7.0V
(1)
Voltage on Input Pins
with Respect to Ground
During Programming....................................-2.0V to +14.0V
(1)
Programming Voltage with
Respect to Ground ......................................-2.0V to +14.0V
(1)
Integrated UV Erase Dose..............................7258 W•sec/cm
2
DC and AC Operating Conditions
Commercial Industrial
Operating Temperature (Ambient) 0°C - 70°C-40°C - 85°C
V
CC
Power Supply 3.0V to 5.5V 3.0V to 5.5V










