Instruction Manual
Manuals
Brands
Rainbow Electronics Manuals
Acoustics
aP89085
15
16
17
18
19
20
21
22
23
24
I
n
t
e
g
r
a
t
e
d
C
ir
c
u
it
s
I
n
c
.
a
P
89341
/
170
/
085
V
e
r
2
.
1
23
A
ug
24
,
2006
P
AC
K
A
G
E
S
D
I
M
E
N
S
I
O
N
O
U
TL
I
N
E
S
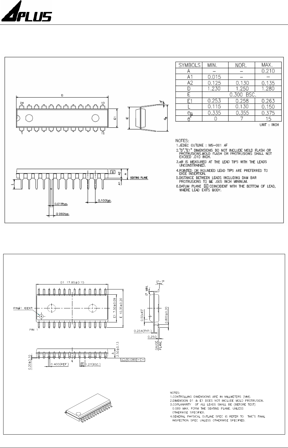
24
-
P
i
n
300
m
i
l
P
-
D
I
P
P
a
c
k
ag
e
28
-
P
i
n
300
m
i
l
S
O
P
P
a
c
k
ag
e
1
...
...
22
23
24