Instruction Manual

Integrated Circuits Inc. aP89341/170/085
Ver 2.1 20 Aug 24, 2006
CPU Serial Command Mode
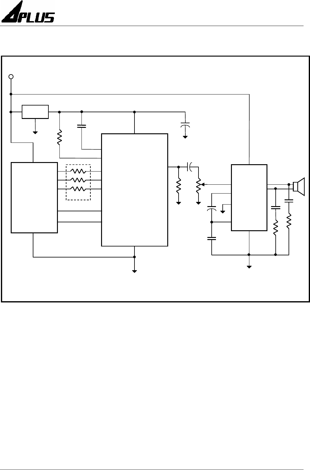
Fig. 25 5V CPU Control with TDA Power Amplifier
VDD, AVDD,VPP
VSS,
AVSS
RST
OUT1
OUT3
OSC
0.01uF
10uF
ROSC
COUT
8Ω
Speaker
HT7335
S1 (CS)
S2 (SCK)
S3 (DI)
VOUT=+3.5V
CS
SCK
DI
BUSY
FULL
VIN=+5V
Rin
2
7
0.1u
0.1u
4.7Ω
4.7Ω
10u
0.01uF
8
6
10uF
10KΩ
33Ω
5
4
Gnd
Vcc
+
+
-
-
1
3
TDA2822M
MCU
Rin = 860KΩ x (VIN-VOUT) / VIN










