Instruction Manual

Integrated Circuits Inc. aP89341/170/085
Ver 2.1 19 Aug 24, 2006
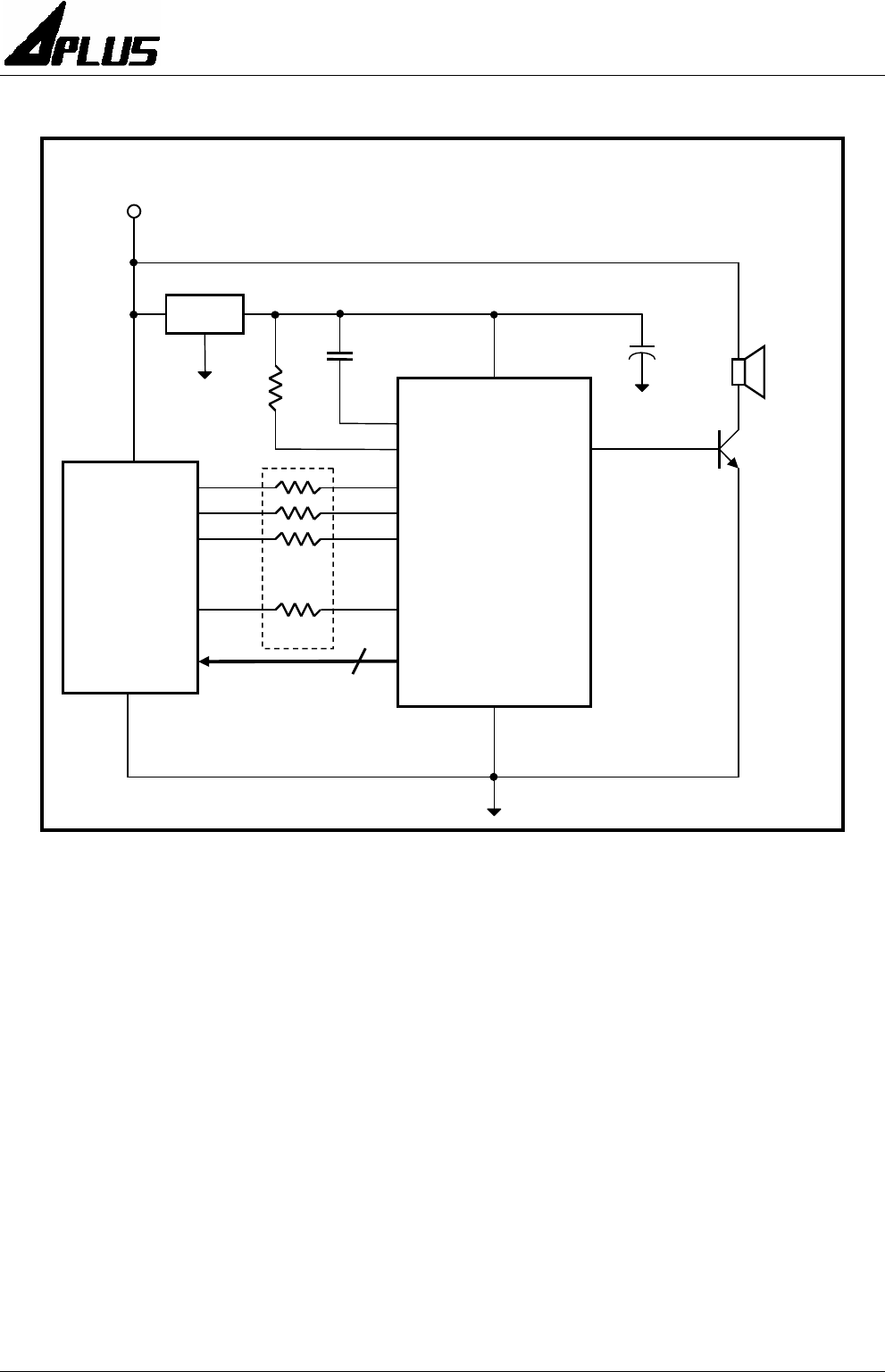
CPU Parallel Mode
Fig. 24 5V CPU Control with COUT
VDD, AVDD,VPP
VSS,
AVSS
RST
S8
OUT[1..3]
OSC
0.01uF
10uF
ROSC
8050D
COUT
8Ω
Speaker
HT7335
S1
S2
S3
VOUT=+3.5V
Addr[0]
Addr[1]
Addr[2]
Addr[7]
I[0..2]
•
•
•
•
•
•
•
•
•
VIN=+5V
Rin = 860KΩ x (VIN-VOUT) / VIN
Rin
3
MCU










