Instruction Manual

Integrated Circuits Inc. aP89341/170/085
Ver 2.1 18 Aug 24, 2006
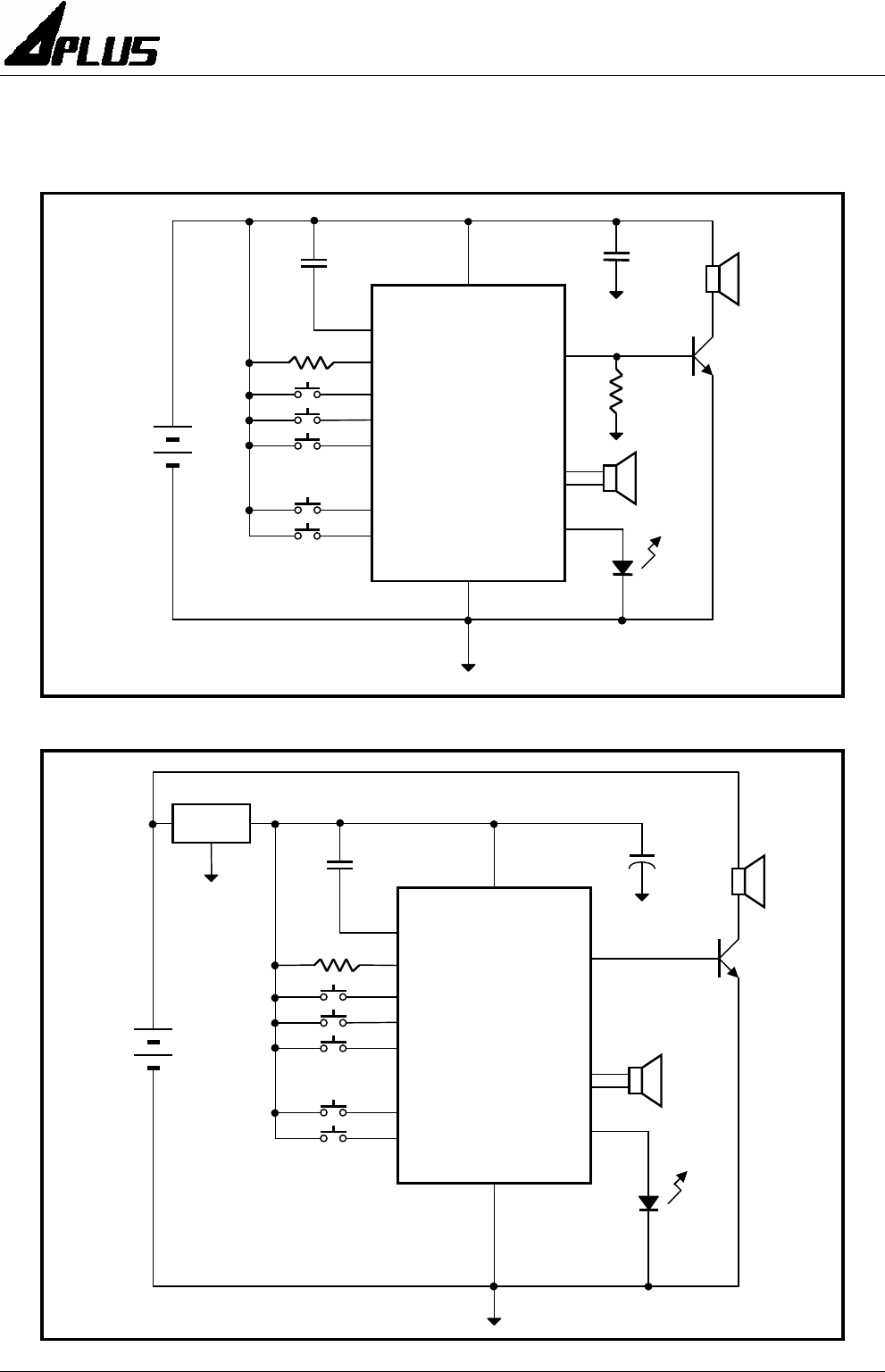
TYPICAL APPLICATIONS
Key Trigger Mode
Fig. 22 Using 3.3V Battery
Fig. 23 Using 4.5V Battery
VDD, AVDD,VPP
VSS,
AVSS
4.5V
RST
S1
S2
S3
S8
SBT
OSC
0.01uF
10uF
ROSC
8050D
COUT
8Ω
Speaker
8 / 16Ω
Speaker
VOUT1
VOUT2
OUT1
HT7335
Output driving of HT LDO:
HT7136 (30mA, 3.6V)
HT7133 (30mA, 3.3V)
HT7536 (100mA, 3.6V)
HT7335 (250mA, 3.5V)
•
•
•
•
•
•
VDD, AVDD,VPP
VSS,
AVSS
3.3V
RST
S1
S2
S3
S8
SBT
OSC
0.01uF
0.1uF
ROSC
8050D
COUT
390Ω
8Ω
Speaker
8 / 16Ω
Speaker
VOUT1
VOUT2
OUT1
•
•
•
•
•
•










