Manual
Manuals
Brands
Rainbow Electronics Manuals
Sensors
ADC1038
1
2
3
4
5
6
7
8
9
10
ADC1038
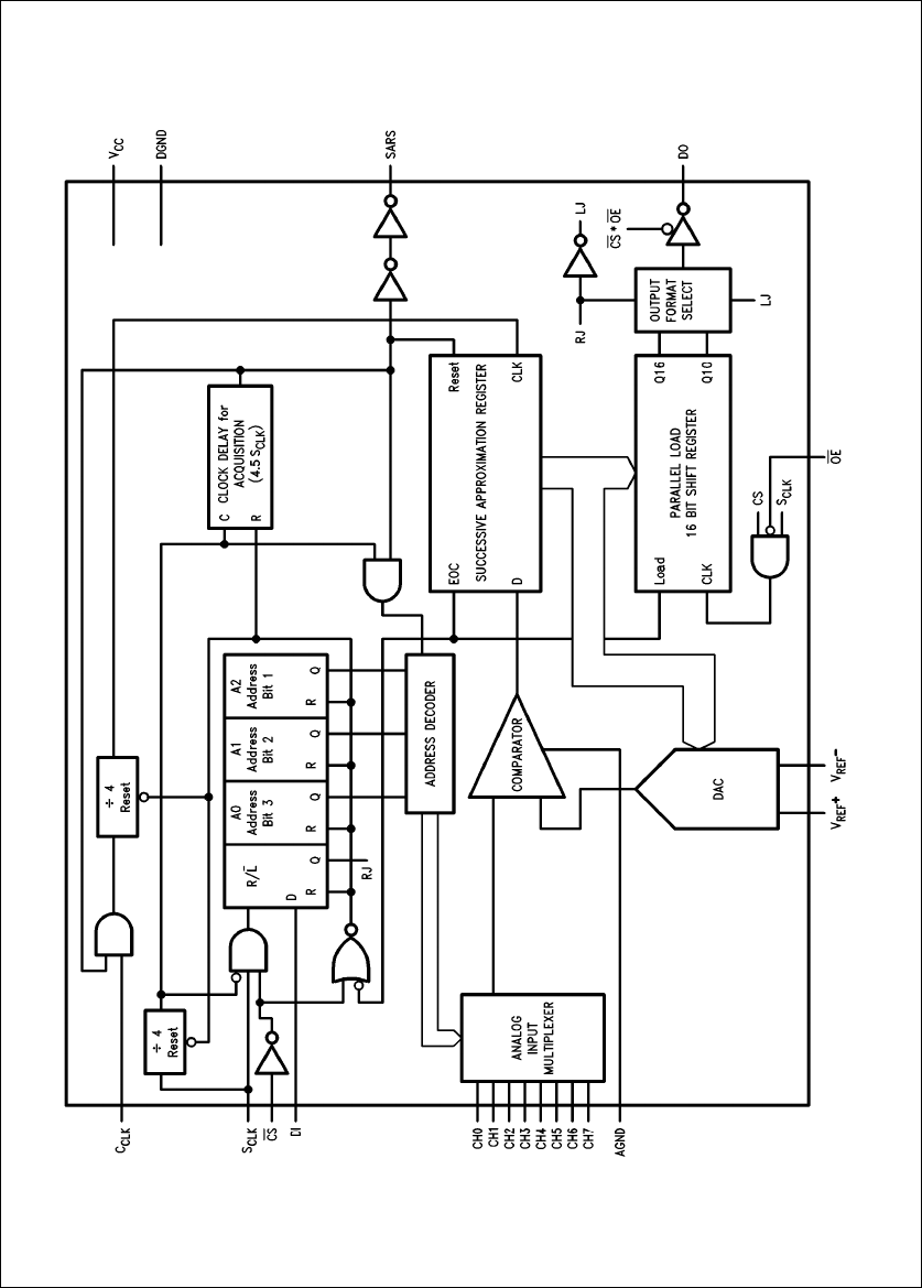
Functional
Block
Diagram
TL/H/10556
–
17
9
1
...
...
7
8
9
10
11
...
...
18