Manual
Manuals
Brands
Rainbow Electronics Manuals
Sensors
ADC1038
9
10
11
12
13
14
15
16
17
18
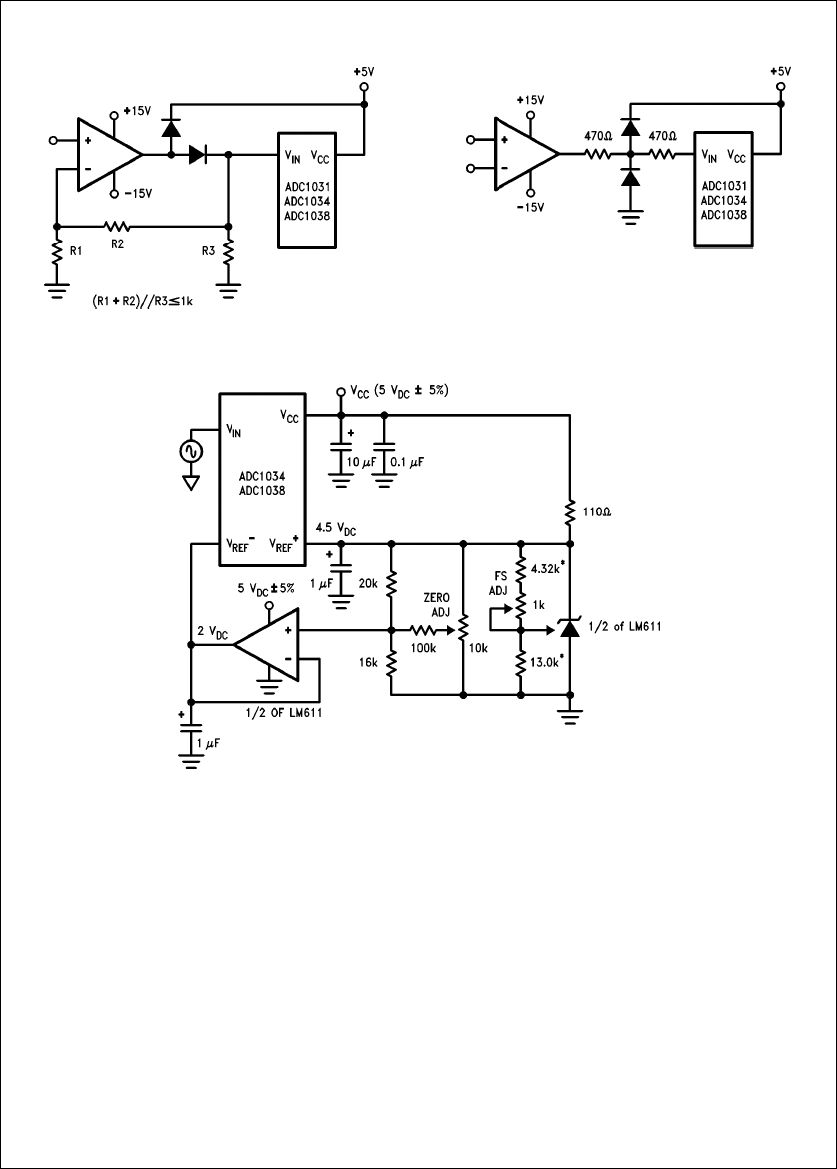
Protecting
the
Analog
Inputs
TL/H/10556
–
25
TL/H/10556
–
26
Diodes
are
IN914
Zero-Shift
and
Span-Adjust
(2V
s
V
IN
s
4.5V)
TL/H/10556
–
27
*
1%
resistors
13
1
...
...
11
12
13
14
15
...
...
18