Manual

3.0 Analog Considerations (Continued)
External Reference 2.5V Full Scale
TL/H/10556– 20
Power Supply as Reference
TL/H/10556– 21
Input Not Referred to GND
TL/H/10556– 22
*Current path must still exist from V
IN
(
b
)
to
ground
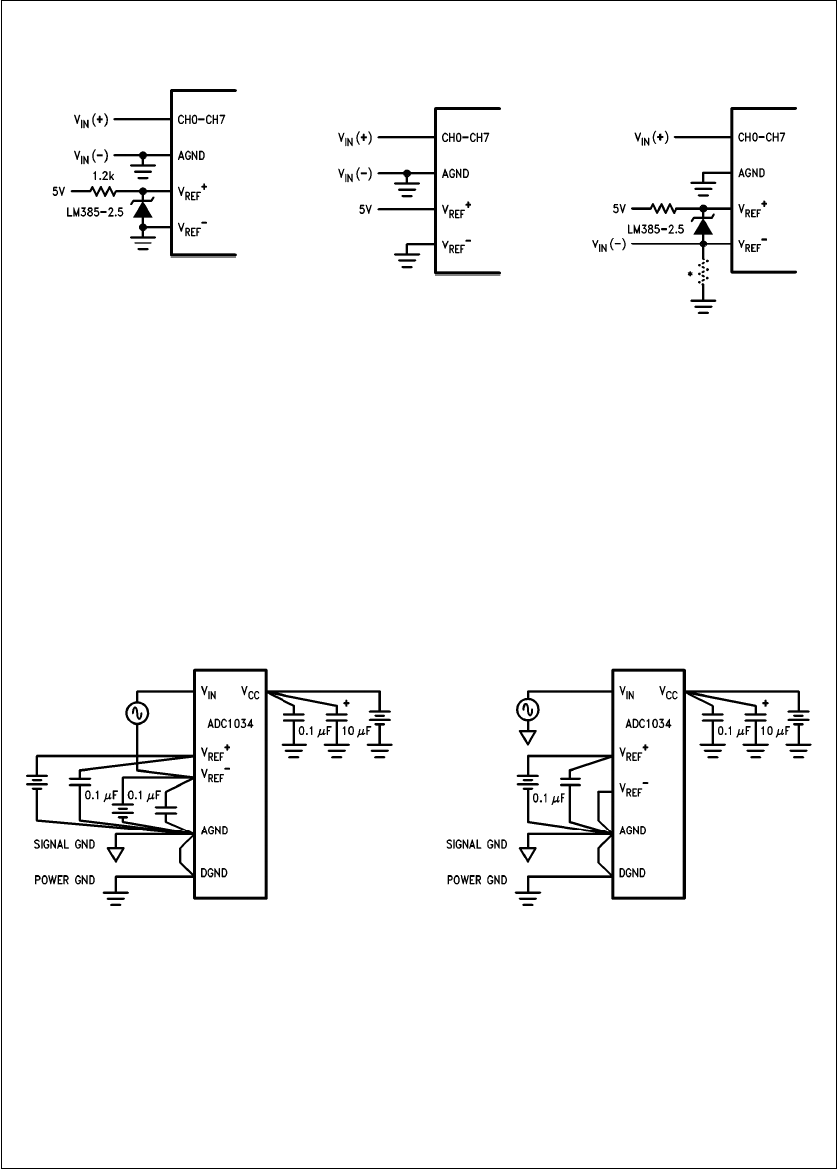
FIGURE 3. Analog Input Options
3.3 REFERENCE AND INPUT
The two V
REF
inputs of the ADC1031/4/8 are fully differen-
tial and define the zero to full-scale input range of the A to D
converter. This allows the designer to easily vary the span
of the analog input since this range will be equivalent to the
voltage difference between V
REF
a
and V
REF
b
. By reduc-
ing V
REF
(V
REF
e
V
REF
ab
V
REF
b
) to less than 5V, the
sensitivity of the converter can be increased (i.e., if V
REF
e
2V then 1 LSB
e
1.95 mV). The input/reference arrange-
ment also facilitates ratiometric operation and in many
cases the chip power supply can be used for transducer
power as well as the V
REF
source.
This reference flexibility lets the input span not only be var-
ied but also offset from zero. The voltage at V
REF
b
sets the
input level which produces a digital output of all zeros.
Though V
IN
is not itself differential, the reference design
allows nearly differential-input capability for many measure-
ment applications.
Figure 3
shows some of the configura-
tions that are possible.
The ADC1031 has no V
REF
b
pin. V
REF
b
is internally tied to
GND.
Power Supply Bypassing
TL/H/10556– 23 TL/H/10556– 24
12










