Manual
Manuals
Brands
Rainbow Electronics Manuals
Sensors
ADC0848
1
2
3
4
5
6
7
8
9
10
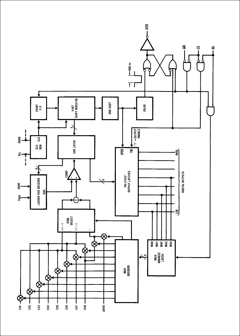
ADC0848
Functional
Block
Diagram
TL/H/5016
–
11
7
1
...
...
5
6
7
8
9
...
...
20