Manual

Applications Information (Continued)
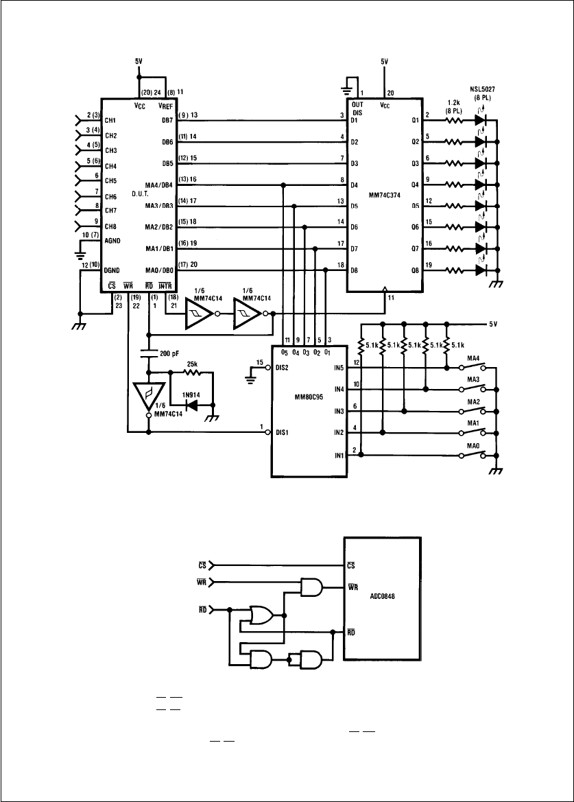
A Stand Alone Circuit
TL/H/5016–25
Note: DUT pin numbers in parentheses are for ADC0844, others are for ADC0848.
Start a Conversion without Updating the Channel Configuration
TL/H/5016–26
CS
#
WR will update the channel configuration and start a conversion.
CS
#
RD will read the conversion data and start a new conversion without updat-
ing the channel configuration.
Waiting for the end of this conversion is not necessary. A CS
#
WR can immedi-
ately follow the CS
#
RD.
14










