Manual

Applications Information (Continued)
The full-scale adjustment should be made
[
with the proper
V
IN
(
b
) voltage applied
]
by forcing a voltage to the V
IN
(
a
)
input which is given by:
V
IN
(
a
)fsadj
e
V
MAX
b
1.5
Ð
(V
MAX
b
V
MIN
)
256
(
where V
MAX
e
the high end of the analog input range and
V
MIN
e
the low end (the offset zero) of the analog range.
(Both are ground referenced.)
The V
REF
(or V
CC
) voltage is then adjusted to provide a
code change from FE
HEX
to FF
HEX
. This completes the ad-
justment procedure.
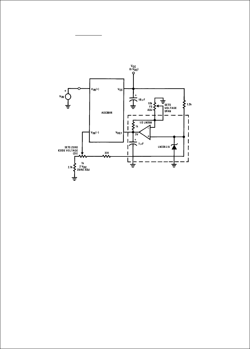
For an example see the Zero-Shift and Span Adjust circuit
below.
Zero-Shift and Span Adjust (2V
s
V
IN
s
5V)
TL/H/5016–18
11










