Manual

TL/H/5016
ADC0844/ADC0848 8-Bit mP Compatible A/D Converters with Multiplexer Options
December 1994
ADC0844/ADC0848 8-Bit mP Compatible A/D Converters
with Multiplexer Options
General Description
The ADC0844 and ADC0848 are CMOS 8-bit successive
approximation A/D converters with versatile analog input
multiplexers. The 4-channel or 8-channel multiplexers can
be software configured for single-ended, differential or
pseudo-differential modes of operation.
The differential mode provides low frequency input common
mode rejection and allows offsetting the analog range of the
converter. In addition, the A/D’s reference can be adjusted
enabling the conversion of reduced analog ranges with 8-bit
resolution.
The A/Ds are designed to operate from the control bus of a
wide variety of microprocessors. TRI-STATE
É
output latch-
es that directly drive the data bus permit the A/Ds to be
configured as memory locations or I/O devices to the micro-
processor with no interface logic necessary.
Features
Y
Easy interface to all microprocessors
Y
Operates ratiometrically or with 5 V
DC
voltage reference
Y
No zero or full-scale adjust required
Y
4-channel or 8-channel multiplexer with address logic
Y
Internal clock
Y
0V to 5V input range with single 5V power supply
Y
0.3
×
standard width 20-pin or 24-pin DIP
Y
28 Pin Molded Chip Carrier Package
Key Specifications
Y
Resolution 8 Bits
Y
Total Unadjusted Error
g
(/2 LSB and
g
1 LSB
Y
Single Supply 5 V
DC
Y
Low Power 15 mW
Y
Conversion Time 40 ms
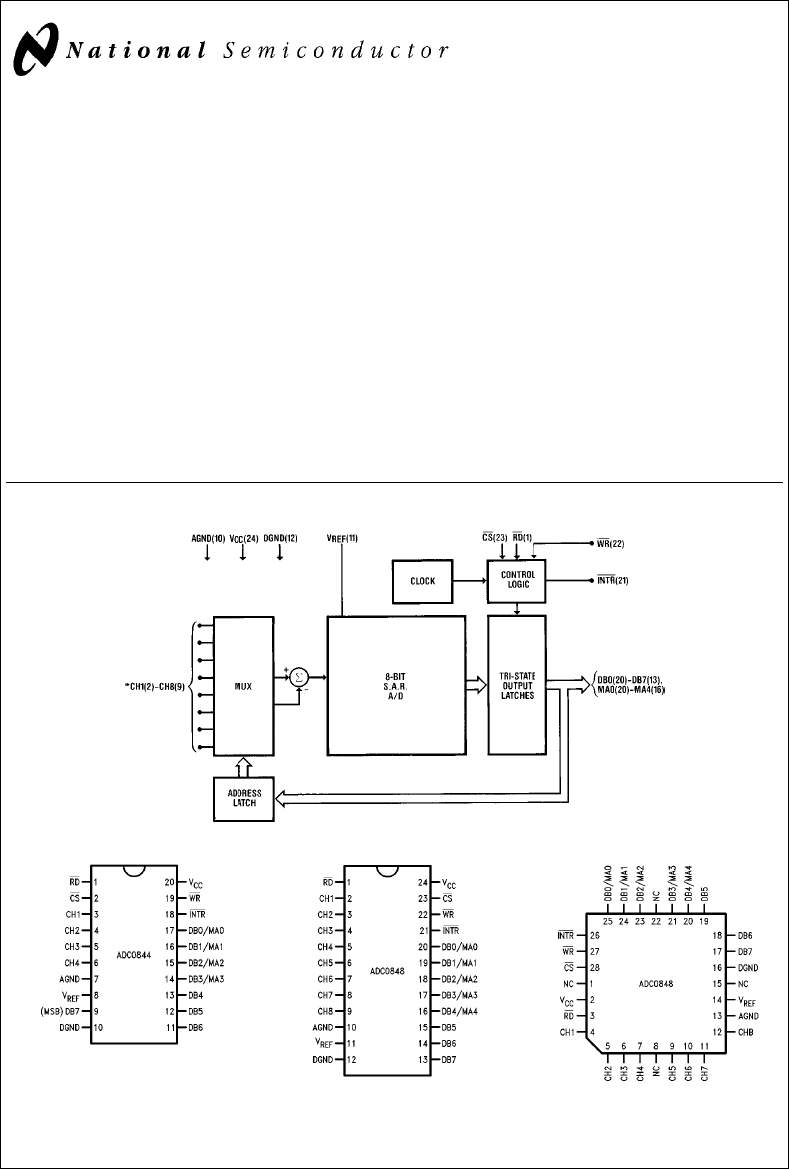
Block and Connection Diagrams
*ADC0848 shown in
DIP Package
CH5-CH8 not included
on the ADC0844
TL/H/5016–1
Dual-In-Line Package
TL/H/5016–2
Top View
Dual-In-Line Package
TL/H/5016–30
Top View
Molded Chip Carrier Package
TL/H/5016–29
Top View
See Ordering Information
TRI-STATE
É
is a registered trademark of National Semiconductor Corp.
C
1995 National Semiconductor Corporation RRD-B30M115/Printed in U. S. A.










