User manual

11.1 Basic System Connection Chapter 11
P.28
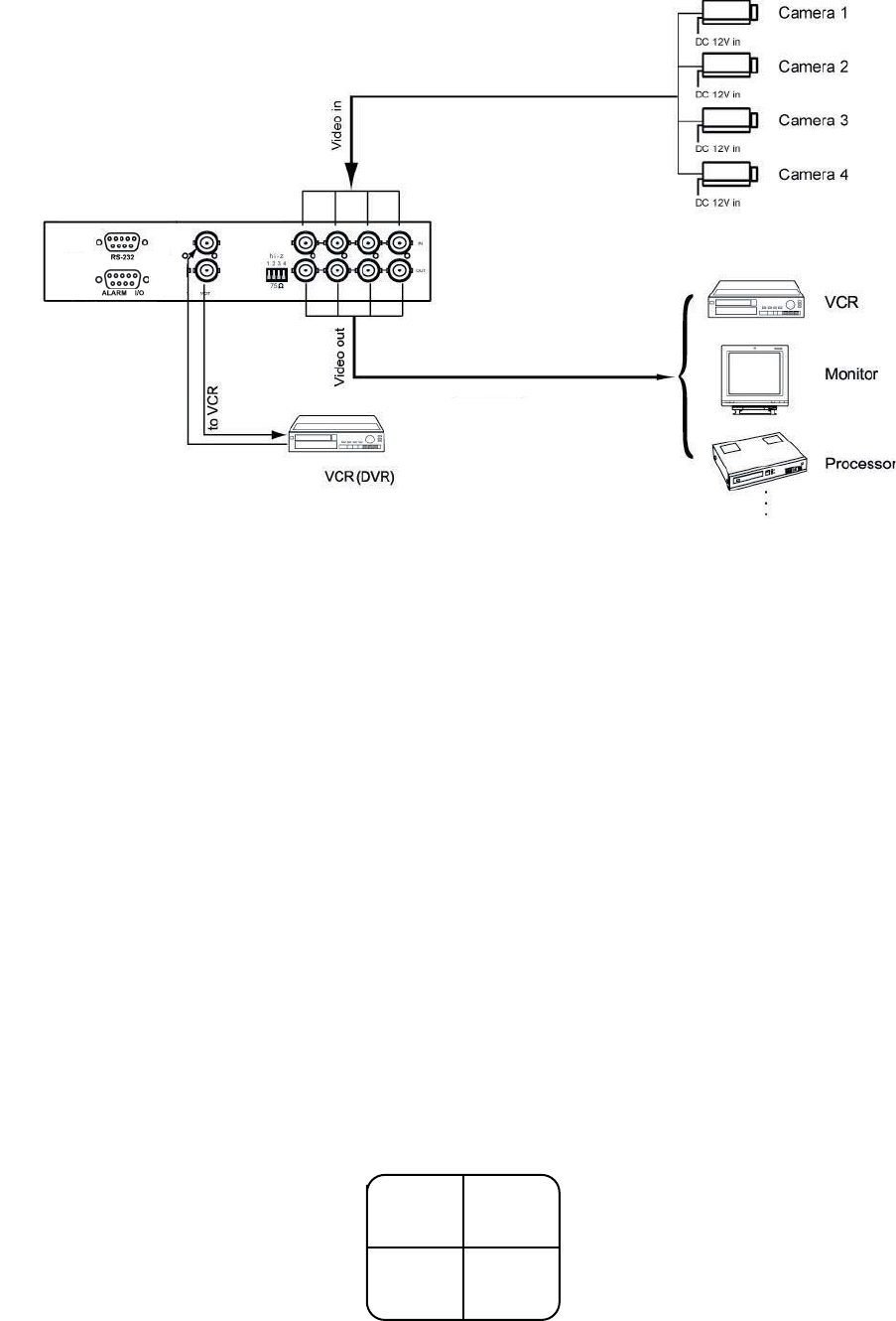
1. VCR in :
This BNC connector is connected to video output from VCR/DVR. A pre-recorded quad screen signal from a tape can be
played back through a VCR/DVR and displayed on the video output channels. Push the VCR button (#2) to switch the
device to VCR Playback mode.
2. VCR out :
This BNC connector is to be connected to the Video in from your VCR/DVR. It will only provide a quad screen video to
ensure an un-interrupted video recording for all four cameras. The display video is not affected by the control panel.
3. Terminations :
These impedance switches are used to provide proper termination for each camera input. These switches toggle be-
tween 75Ω and Hi-Z impedance. Incorrect termination will degrade the quality of the video signal. All video inputs not
“looped through” to another device, the corresponding switches need to be set to 75Ω termination position. If another
device is connected to video out loop through connector set the corresponding termination switch to Hi-Z position. Any
device connected to the video out loop through connectors needs to be confi gure to 75Ω video termination. The factory
default termination setting is 75Ω.
4. Ch1 In, Ch2 In, Ch3 In, and Ch4 In Video IN connectors :
These BNC connectors are used to connect to the video out from camera. Four cameras can be connected to these con-
nectors to form a quad screen in the following mapping order.
5. Ch1 Out, Ch2 Out, Ch3 Out, and Ch4 Out Video Loop through connectors :
These connectors are used to loop video signals from each camera out to other devices.
12
34










