Operating instructions
Manuals
Brands
Pyramid Manuals
Musical equipment
Ac receiver
1
2
3
4
5
6
7
8
9
10
Page 5
We recomm
end that during
a system
installation y
ou store the modu
le
description sheets in a rin
g-boun
d file, and keep th
em for ref
erence after
the installation is complete.
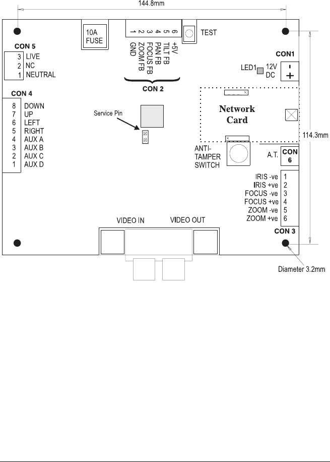
Figure 1. AC Receiver PC
B connections
1
...
2
3
4
5
6
7
...
...
12