User Instructions

www.pulsar.pl ROUPS12VR RACK POWER CCTV
3
SPIS TREŚCI:
1. Opis techniczny.
1.1. Opis ogólny
1.2. Schemat blokowy
1.3. Opis elementów i złącz zasilacza
1.4. Parametry techniczne
2. Instalacja.
2.1. Wymagania
2.2. Procedura instalacji
3. Sygnalizacja pracy zasilacza.
3.1. Sygnalizacja optyczna
3.2. Wyjście techniczne
3.3. Sygnalizacja akustyczna
4. Obsługa oraz eksploatacja.
4.1. Przeciążenie lub zwarcie wyjścia zasilacza
4.2. Praca bateryjna
4.3. Konserwacja
1. Opis techniczny.
1.1. Opis ogólny.
Zasilacz buforowy ROUPS12VR przeznaczony jest do bezprzerwowego zasilania rejestratora
wymagającego stabilizowanego napięcia 12V DC. Zasilacz dostarcza napięcia U=12V DC o maksymalnej
wydajności prądowej I=5A + 1A ładowanie akumulatora. W przypadku zaniku napięcia sieciowego następuje
natychmiastowe przełączenie na zasilanie akumulatorowe. Wyjście do rejestratora zabezpieczone jest
bezpiecznikiem topikowym 5A. Zasilacz został wyposażony w wyjście awarii zbiorczej ALARM. W przypadku
wystąpienia awarii załączana jest dioda LED, następuje przełączenie styków przekaźnika oraz załączana jest
sygnalizacja dźwiękowa. Zasilacz skonstruowany jest w oparciu o moduł zasilacza impulsowego o wysokiej
sprawności energetycznej i umieszczony w obudowie przystosowanej do montażu w szafie RACK standard 19”.
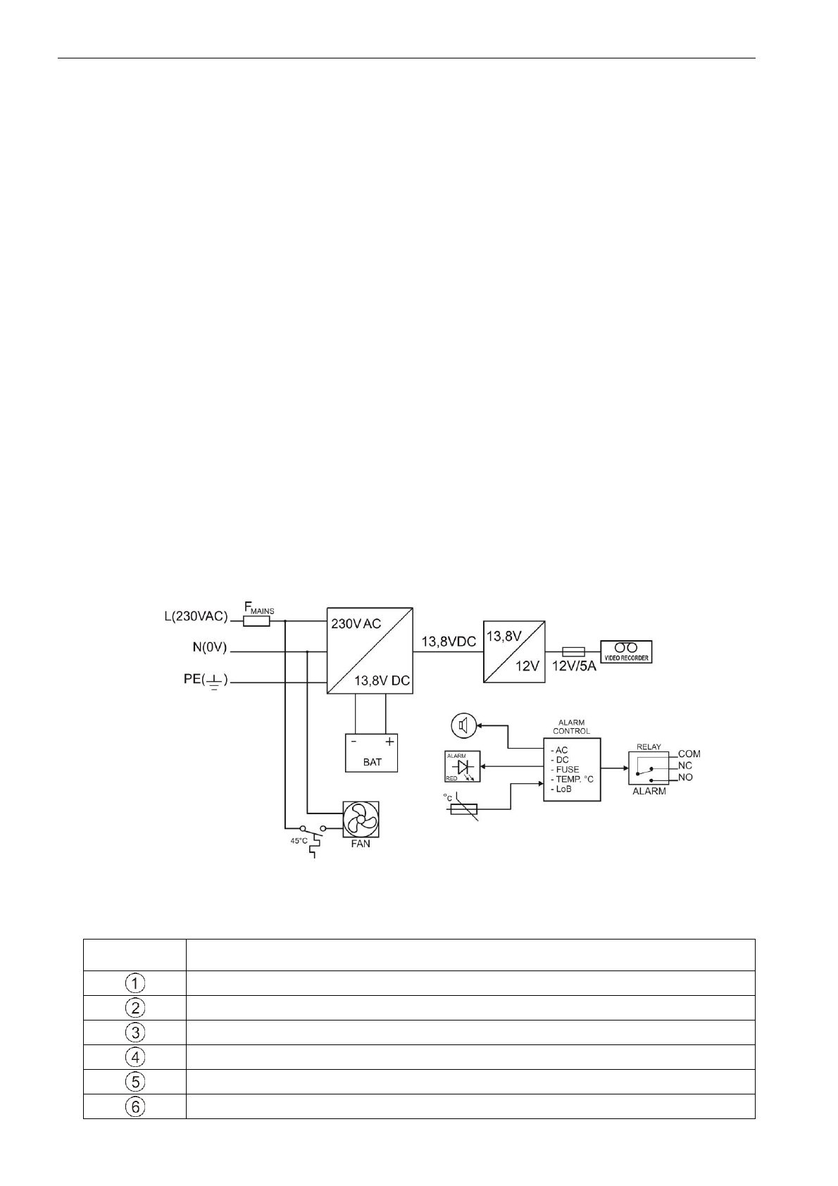
1.2. Schemat blokowy.
Rys.1. Schemat blokowy zasilacza.
1.3. Opis elementów i złącz zasilacza.
Tabela 1. Elementy zasilacza.
Element nr
[Rys. 2]
Opis
AC OK – dioda LED, zielona sygnalizująca obecność napięcia sieci 230V
DC OK – dioda LED, zielona sygnalizująca obecność napięcia DC
TEMP – dioda LED, czerwona sygnalizująca za wysoką temperaturę zasilacza (>70°C)
LoB – dioda LED, czerwona sygnalizująca niskie napięcie akumulatora (<11,5V)
LED ALARM – dioda LED czerwona sygnalizująca awarię
LED DVR – dioda LED zielona sygnalizująca obecność napięcia na wyjściu DVR








