User Instructions
Manuals
Brands
Pulsar Manuals
Equipment for IP cameras
Industrial switch ISFG42 (2xPoE, 2xSFP)
1
2
3
4
5
2
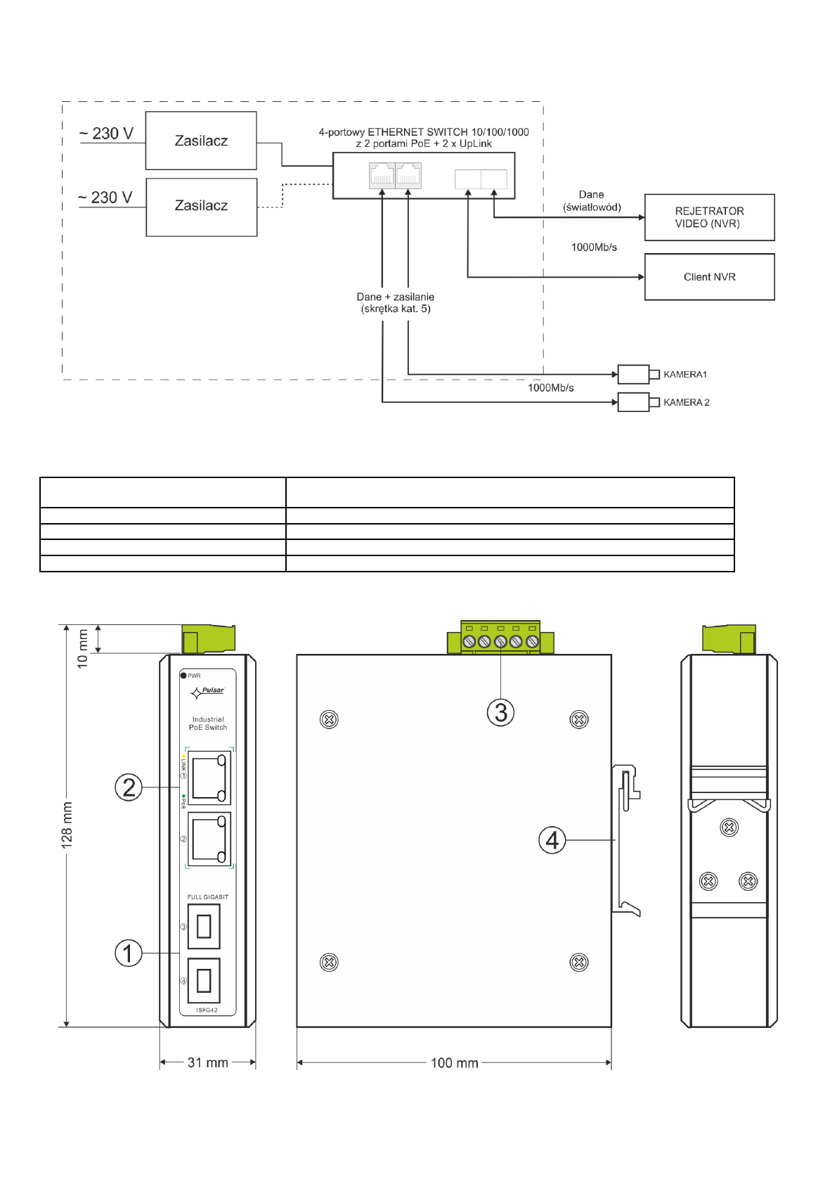
1.2 Schem
at blokow
y.
Rys. 1. Schem
at blokowy.
1.3. Opis e
lementów
i złącz
.
Tabela
1. (patrz rys.2)
Element nr
(Rys. 2)
Opis
[1]
2 x PoE port (1
÷4
)
[2]
2 x UP LINK port (SFP)
[3]
Gniazdo zasilania (V1/V2)
[4]
Uchwyt na szynę DIN
Rys. 2. W
idok switch'a.
1
2
3
4
...
5