User Instructions
Manuals
Brands
Pulsar Manuals
13
HPSBOC 13.8V/2A/7Ah/OC buffer, switch mode power supply unit with technical outputs
1
2
3
4
5
6
7
8
9
10
www.pulsar.pl HPSBOC2512B
GREEN POWER plus
4
Σχ
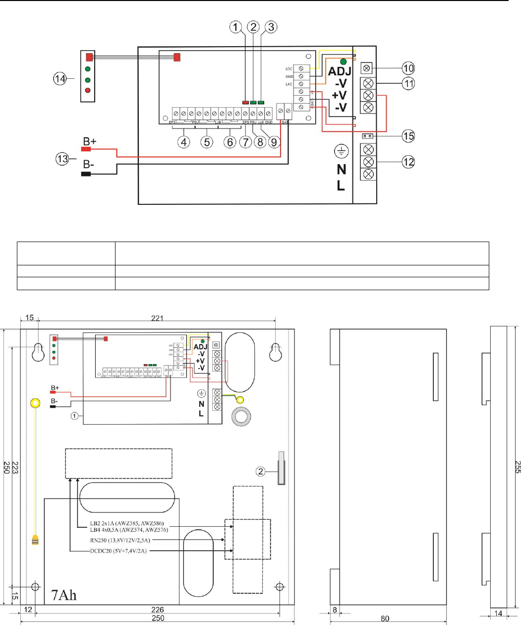
. 2.
Κάτο
ψη μονάδας τροφοδοτικ
ού
Περιγραφή στοιχείω
ν τροφοδοτικού
(
πιν
.2,
Σχ
.3).
Στοιχείο
Ν
ο
[
Σχ
. 3
]
Περιγραφή
[1]
Μονάδα τροφοδοτικο
ύ
[2
]
TAMPER
,
ε
παφές προστασίας από σαμ
ποτάζ
(NC)
Πιν
.2.
Στοιχεία του PSU
.
Σχ
.3.
Κάτο
ψη τροφοδοτικού
.
1
...
2
3
4
5
6
...
...
10