User Instructions

www.pulsar.pl EN54-5A40 RED POWER
27
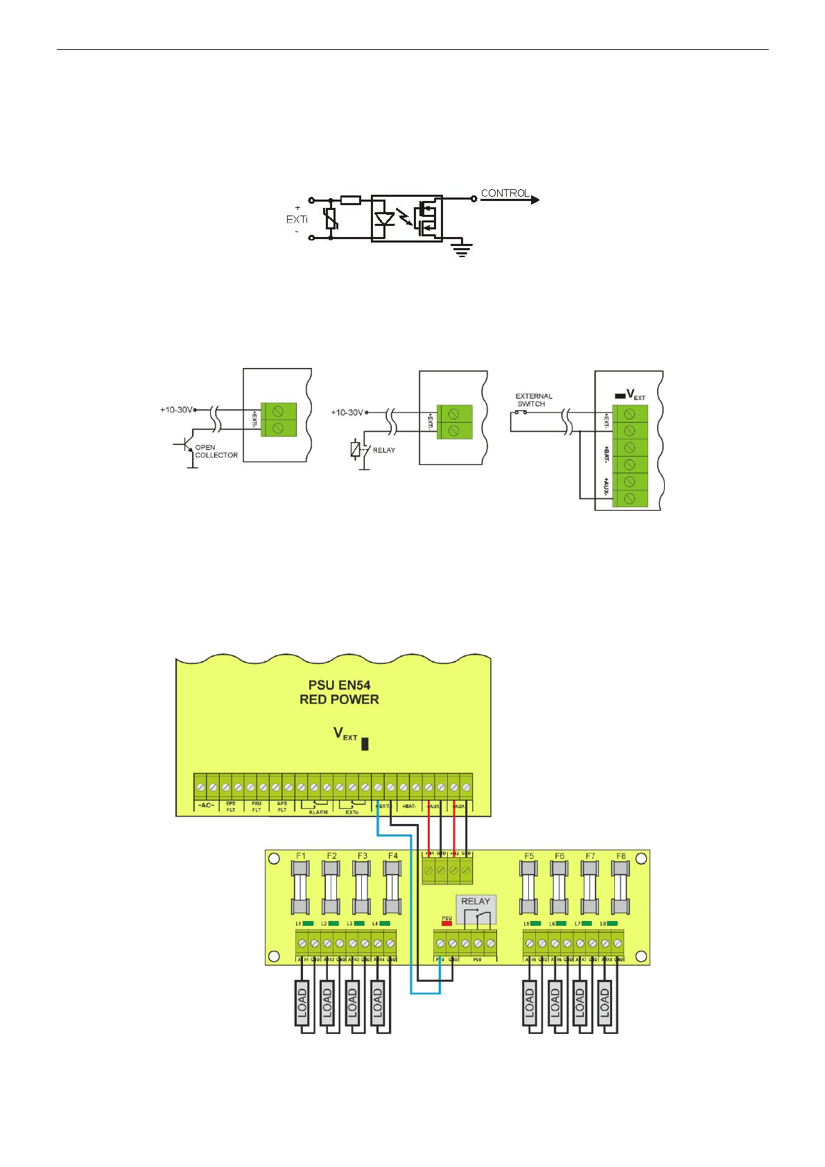
6.5. Buchse für den Gesamtausfall EXTi.
Die technische Buchse EXTi (external input) ist die Buchse für die Signalisierung des Gesamtausfalls, die
zum Anschluss von zusätzlichen, Signal des Ausfalls generierenden Außenvorrichtungen bestimmt ist. Auftreten
der Spannung an der Buchse EXT IN verursacht Generierung des Netzgerätausfalls, Speicherung der Information
über das Ereignis im inneren Speicher und Ausfallsignal am Ausgang ALARM.
Die technische Buchse EXTi wurde unter Erhaltung galvanischer Isolation zwischen den
Netzgerätsystemen und der angeschlossenen Vorrichtung.
Abb. 11. Das elektrische Schema der Buchse EXTi.
Anschlussweise der Außenvorrichtungen an die Buchse EXTi wurde auf dem unten angeführten
elektrischen Schema dargestellt. Als Signalquelle kann man die OC-Ausgänge (open collector) oder
Relaisausgänge benutzen.
Abb. 12. Beispielhafte Anschlussweisen.
In der Option mit dem äußeren Umschalter soll man den V
EXT
- Jumper anbringen, der zur Polarisation des
Buchsenkreises EXTi dient und in solcher Konfiguration erforderlich ist.
Die Buchse EXTi wurde an die Zusammenarbeit mit den Sicherungsmodulen EN54-LB4 und EN54-LB8,
die das Ausfallsignal beim Durchbrennen einer Sicherung in beliebiger Ausgangssektion generieren, angepasst
(Kapitel 6.7). Um das richtige Funktionieren der Leiste mit der Buchse EXTi des Netzgeräts zu ermöglichen, soll
man die Anschlüsse gemäß der folgenden Abbildung ausführen und den V
EXT
– Jumper anbringen.
Abb. 13. Beispielhafte Anschlussweise an die Sicherungsleiste EN54-LB8.










