User Instructions

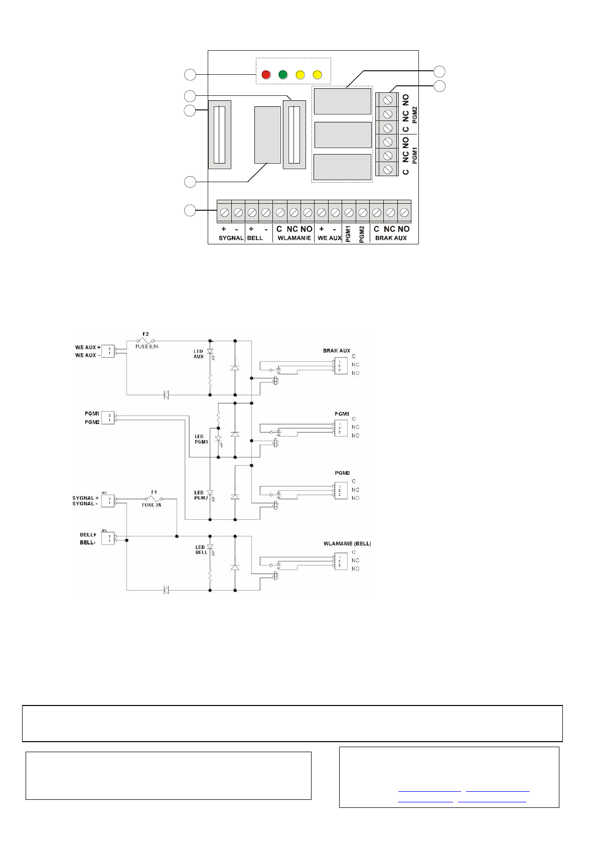
Εικ. 1. Γενική όψη της πλακέτας.
5. Ηλεκτρικό Διάγραμμα.
ΕΓΓΥΗΣΗ
Pulsar (ο κατασκευαστής) εγγυάται εγγύηση δύο ετών για τον
εξοπλισμό, η οποία υπολογίζεται από την ημερομηνία παραγωγής
της συσκευής.
WEEE ΟΔΗΓΙΕΣ
Σύμφωνα με τις οδηγίες της EU WEE Directive – Παρακαλούμε μην πετάτε τα ηλεκτρικά ή ηλεκτρονικά απόβλητα μαζί με τα αστικά απόβλητα,
να συλλέγονται χωριστά όπως υποδεικνύει η WEEE Directive.
Zużytego sprzętu elektrycznego i elektronicznego nie wolno wyrzucać razem ze zwykłymi domowymi odpadami. Według dyrektywy WEEE
obowiązującej w UE dla zużytego sprzętu elektrycznego i elektronicznego należy stosować oddzielne sposoby utylizacji.
Pulsar
Siedlec 150, 32-744 Łapczyca, Πολωνία
Τηλ. (+48) 14-610-19-40, Fax. (+48) 14-610-19-50
e-mail: biuro@pulsar.pl, sales@pulsar.pl
http:// www.pulsar.pl, www.zasilacze.pl
1
2
2
3
3
4
4
F1 2A F2 0,5A
BELL AUX PGM1 PGM2