Installation Guide
Manuals
Brands
Progress Lighting Manuals
Other
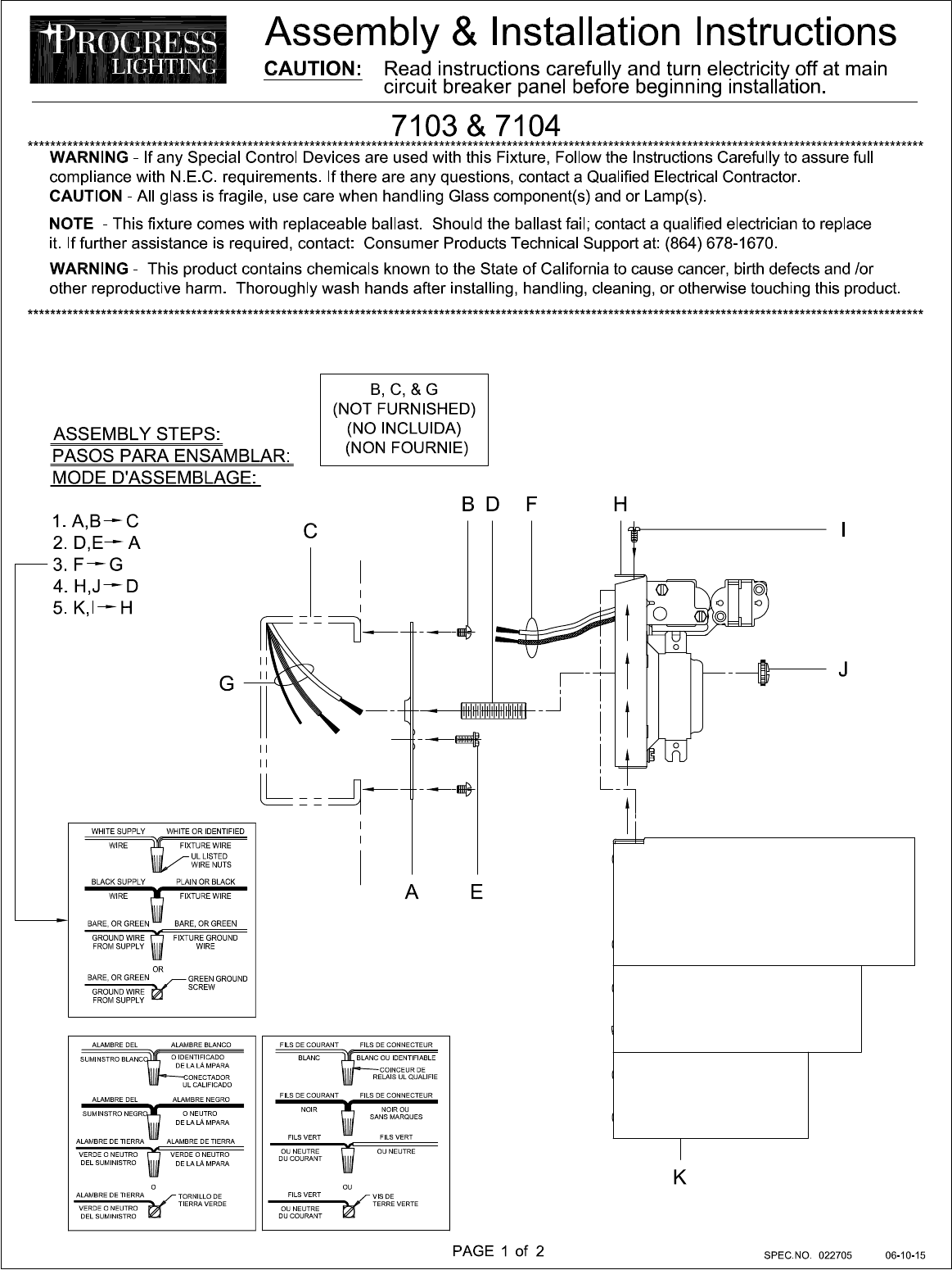
1-Light Black Wall Sconce
1
2
1
2
Summary of content (2 pages)
PAGE 1
PAGE 2