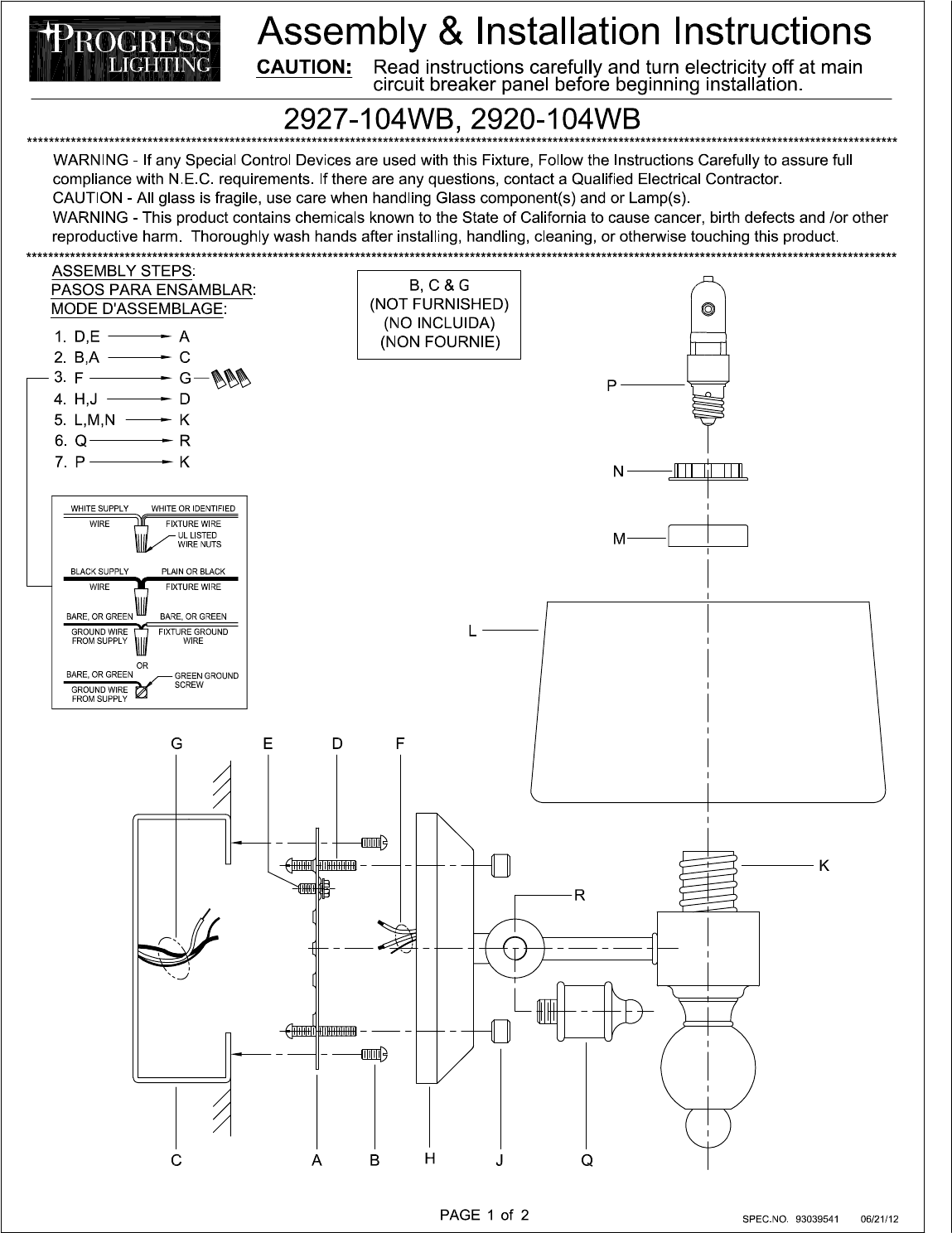
Installation guide
Manuals
Brands
Progress Lighting Manuals
Other
P2920-104WB
1
2
1
2
Summary of content (2 pages)
PAGE 1
PAGE 2