
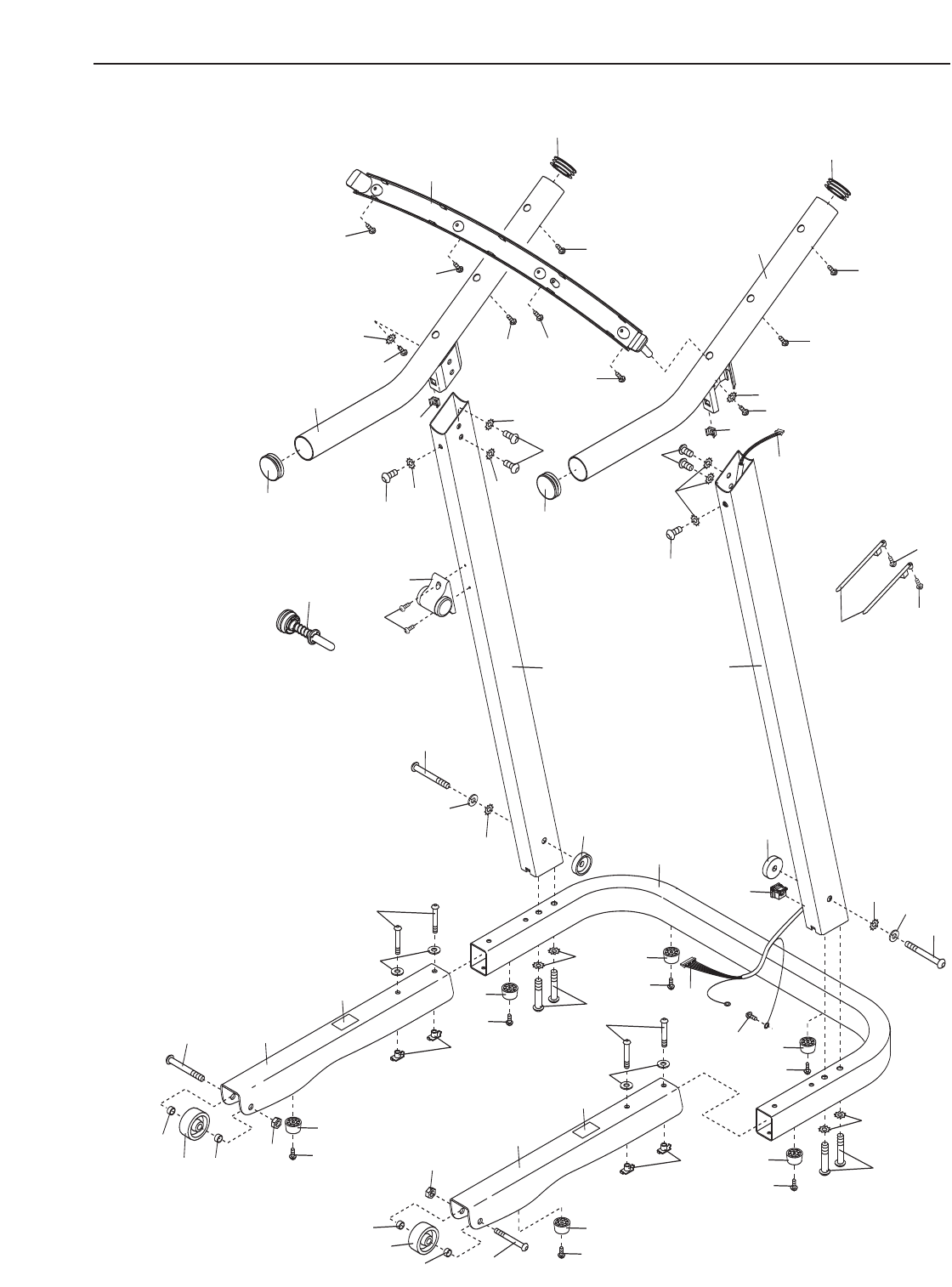
EXPLODED DRAWING C—Model No. 30464.0 R
1207A
80
102
3
54
11
53
14
1
9
1
11
14
9
10
48
85
10
33
7
7
22
8
8
77
24
5
2
39
8
5
8
5
7
7
10
10
10
77
10
10
10
10
84
85
7
7
8
8
5
39
106
105
105
52
49
63
26
13
43
32
13
32
43
106
69
69
70
16
35
16
35
69
70
69
45
45
63
26
63
26
63
26
63
26
63
26
2
9
9
26