
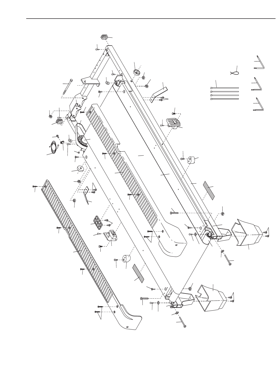
EXPLODED DRAWING A—Model No. 30464.0 R
1207A
93
17
81
86
51
76
67
28
62
89
3
83
93
6
31
46
25
25
25
25
25
75
75
56
25
71
68
28
18
61
19
44
27
29
55
36
21
42
21
29
60
36
19
42
27
44
19
19
78
50
78
64
4
10
50
41
41
41
41
10
94
97
10
10
74
11
11
16
16
44
44
96
101
101
102
107
102
107
110
95
95
24