User's Manual
35
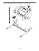
Key No. Qty. Description Key No. Qty. Description
101 1 TV Cable Washer
102 2 1/4" Flat Washer
103 1 Key/Clip
104 4 #8 x 1/2" Screw
105 1 Console
106 1 5/16" Locknut
107 1 5/16" Flat Washer
108 2 Static Decal
109 2 3/8" x 1 3/4" Bolt
110 4 5/16" Star Washer
111 4 Cushion Stop
112 1 TV Cable
113 2 3/8" Cable Nut
114 1 A/V Wire
115 1 Hood Accent
116 2 #3 x 1/4" Screw
117 1 Controller Ground Wire
118 1 Cable Tie
*–8" White Wire, M/F
*–8" Blue Wire, M/F
*–User's Manual
Note: Specifications are subject to change without notice. For information about ordering replacement parts, see
the back cover of this manual. *These parts are not illustrated.










