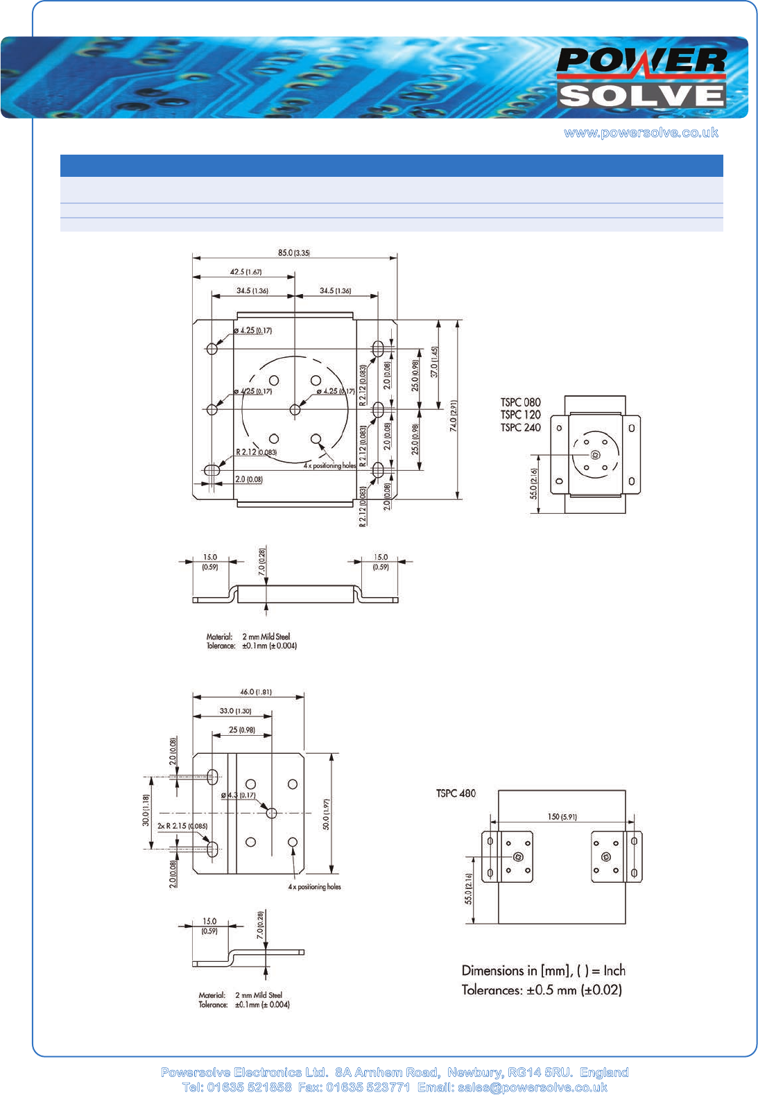
User guide







