Replacement Part List
Manuals
Brands
PowerSmart Manuals
Generators
3000-Watt Gas Powered Inverter Generator
1
2
3
4
21
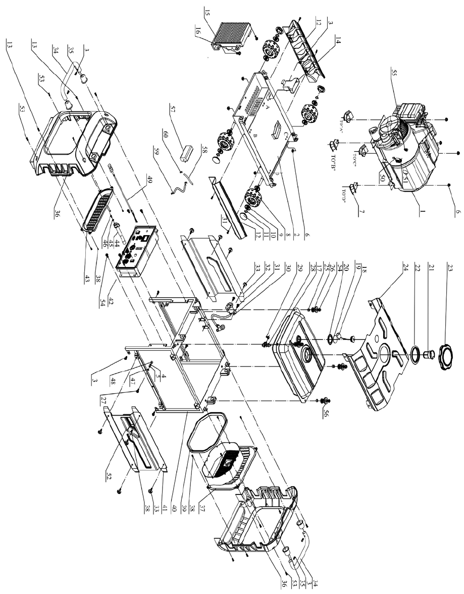
Gene
rator
expl
oded
view
1
2
3
4