User's Manual
Manuals
Brands
Powerex Manuals
Air Compressors
MPD1508
11
12
13
14
15
16
17
18
19
20
Table Of Contents
Medical Package System Manual
Unit Description
General Safety Information
Assembly
Schematic
Maintenace Schedule
System Parts List
Pumps Manual
Pumps Description
Dimensions
Maintenance Schedule
OPS010 Parts List
OPS030 Parts List
OPT050 Parts List
OPT100/150 Parts List
12
Oilless Reciprocating Air Compr
essor Pumps
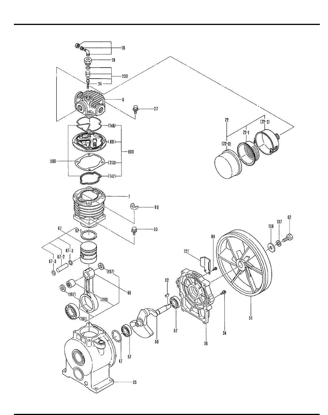
Figure 24 - Replacement Parts Illustration for OPS010
1
...
...
17
18
19
20
21
...
...
27