Pure Air Technology General Product Manual
Manuals
Brands
Powerex Manuals
Food Saver
Medical Packing System MPD0758
18
19
20
21
22
23
24
25
26
27
Table Of Contents
Medical Package System Manual
Unit Description
General Safety Information
Assembly
Schematic
Maintenace Schedule
System Parts List
Pumps Manual
Pumps Description
Dimensions
Maintenance Schedule
OPS010 Parts List
OPS030 Parts List
OPT050 Parts List
OPT100/150 Parts List
16
Oilless Reciprocating Air Compr
essor Pumps
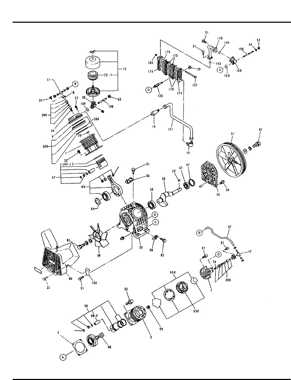
Figure 26 - Replacement Parts Illustration for OPT050
197
197
1
...
...
21
22
23
24
25
26
...
27