Owner manual
Manuals
Brands
Poweramp Manuals
Hoist
HNL SERIES HYDRAULIC
31
32
33
34
35
36
37
38
39
40
31
Manual No.
4111-0029
November 2009
May 2012
ELECTRICAL
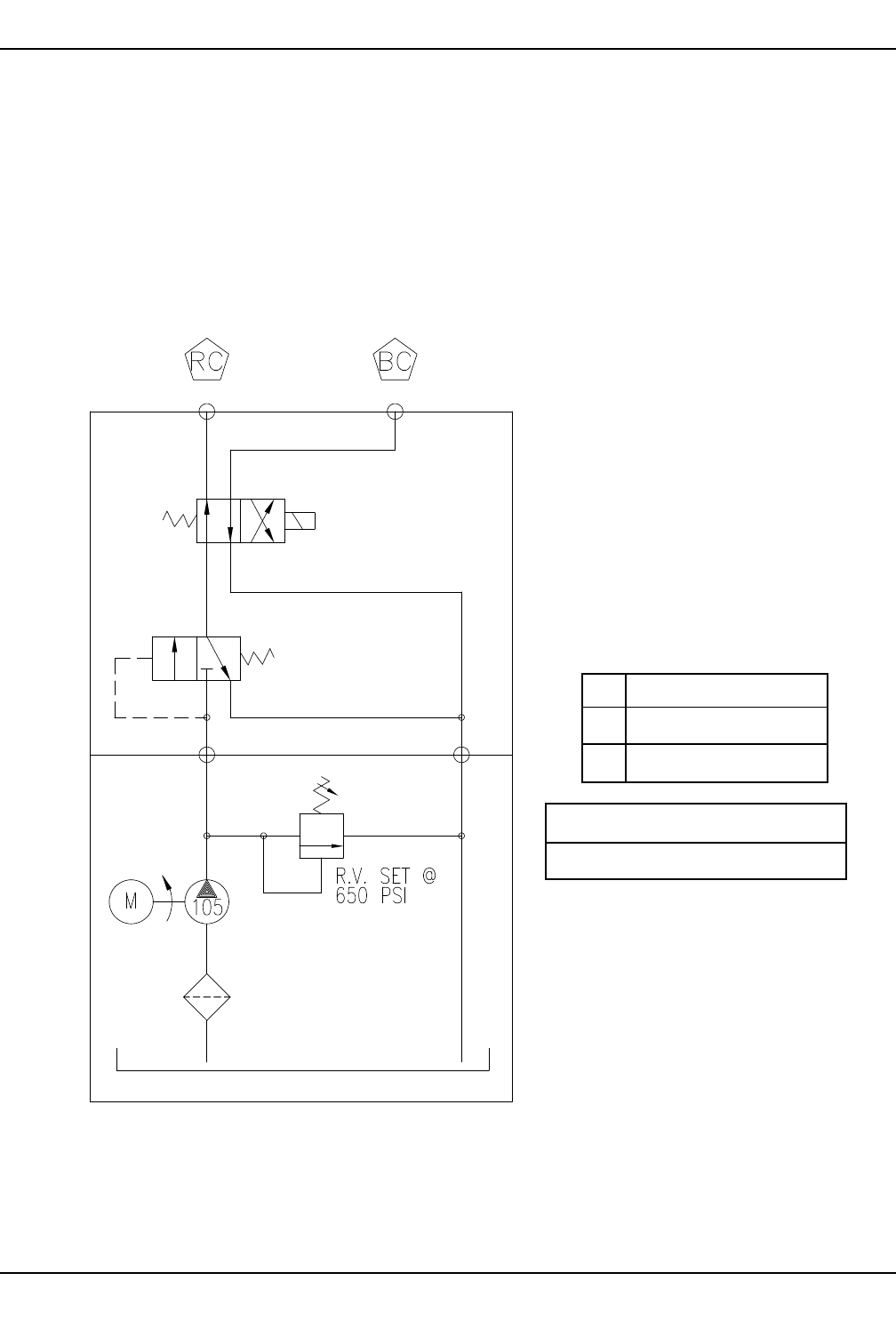
Hydraulic Schematic
NOTE
DESCRIPTION
BC
Connect to
base
end
of release
cylinder
RC
Connet to
rod
end
of release
cylinder
NOTE
PSI
relief
is
not
adjustable.
1
...
...
31
32
33
34
35
...
...
48