Datasheet
Manuals
Brands
POTENTIOMETER SERVICE Manuals
Potentiometers
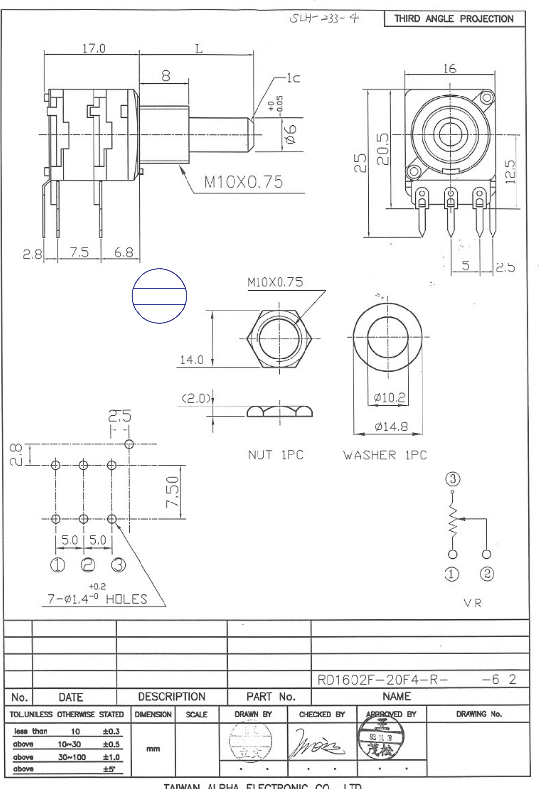
Single turn rotary pot Stereo 0.05 W 1 kΩ 1 pc(s)
1
2
文管中心
發行章
2006.06.15
1
2