Manual

Table Of Contents
Planar UltraRes Series User Manual 86
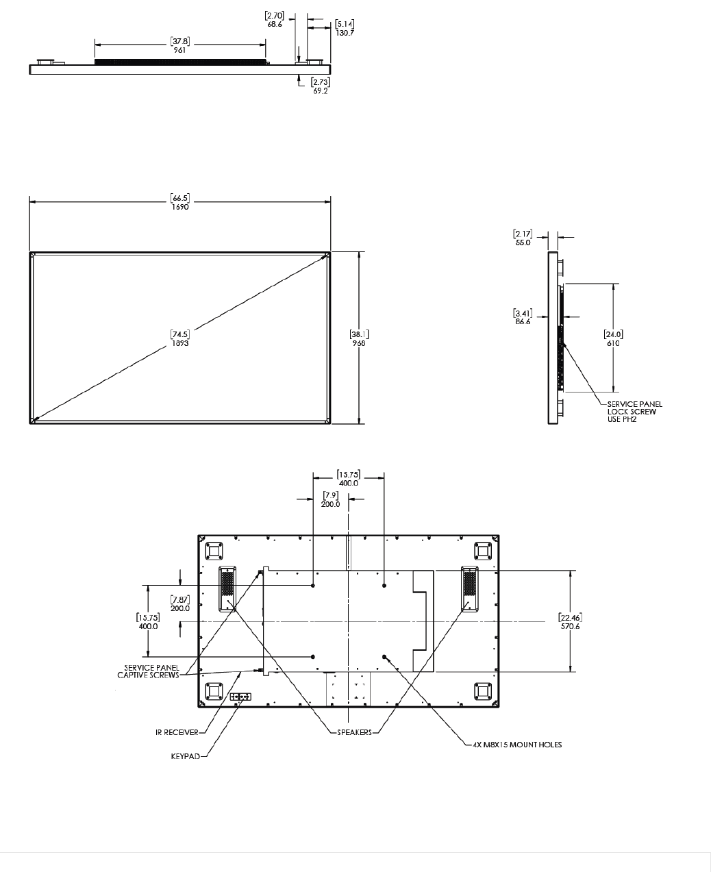
Dimensions
UR7551-MX