Home Theater System User Manual

5
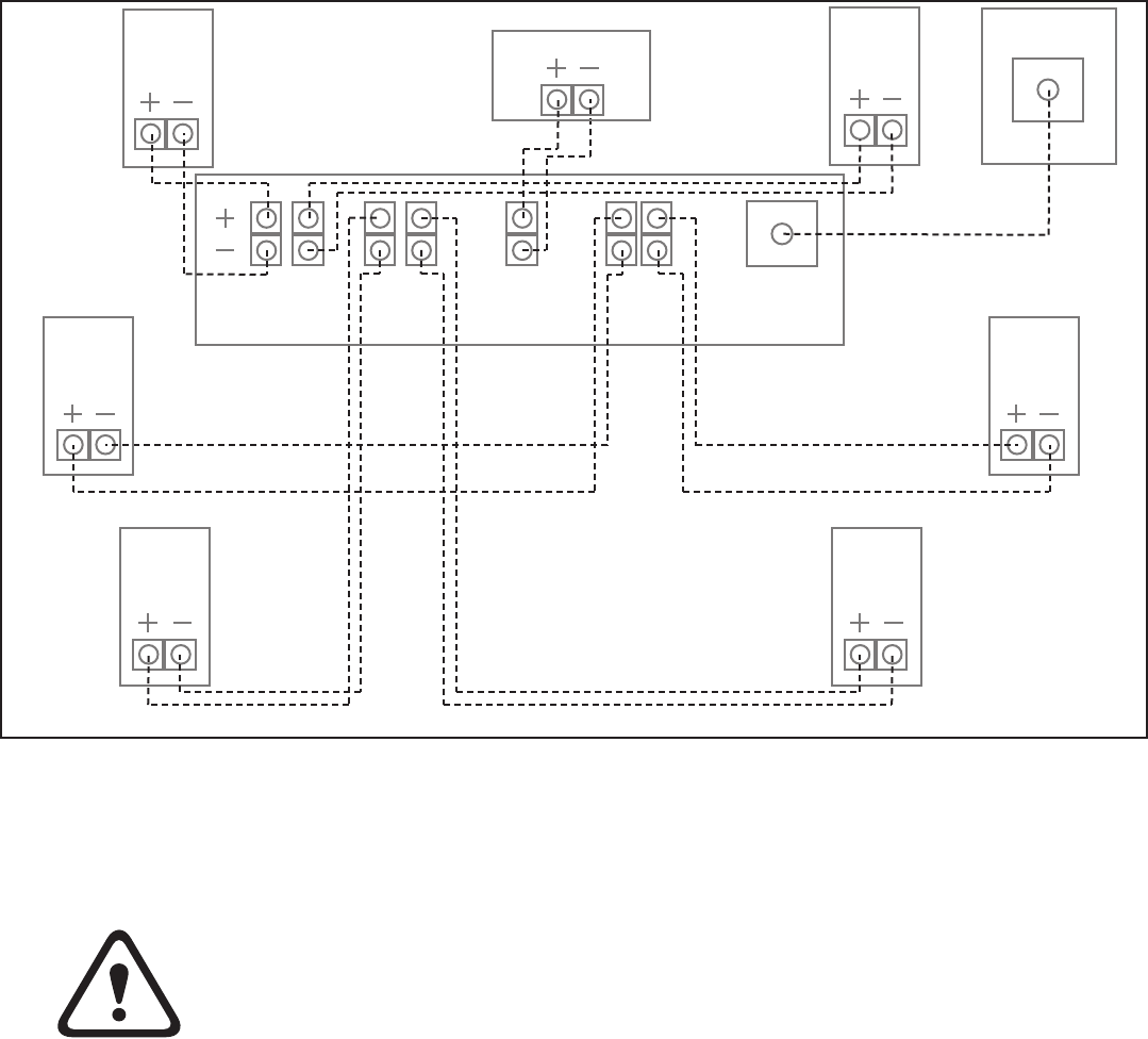
Amplier Panel
Left
Front
Left
Surr.
Center
Channel
Right
Front
Right
Surr.
SUB OUT
Subwoofer
Left
LCR
Center LCR
Right
LCR
Right
Surround
Left
Surround
Line Input
Left
Rear
Right
Rear
Left
Rear
Right
Rear
MOUNTING YOUR PHASE VELOCITY SPEAKER ON A WALL
The V-Surround-II speaker includes a keyhole type insert for on-wall mounting. Use a #6 screw in a drywall anchor capable
of holding 2-3 times the weight of the speaker in the location you wish to mount the speaker. Then slide the keyhole over the
screw. The self adhesive bumpers included with the speaker may be used on the rear of the speaker to provide a gap for
running speaker wires.
Make certain that your wall anchors are capable of supporting the weight of the speaker!
The V52, V62 and V5520 speaker includes M6 (6mm) threaded inserts for use with standard wall mounting brackets (available
from third party vendors). Please refer to the vendors’ instructions for mounting speakers to their wall mounting brackets.
V626 FOOT INSTALLATION
The V626 Tower Speaker comes with four feet that mount to the bottom of the unit. To mount the feet, turn the speaker over,
place each foot in place on a corner of the unit so that the screw holes line up with the threaded inserts on the speaker, and
attach the feet using the provided screws. Tighten snugly but do not over tighten.
V626 Floor Spikes
Floor spikes are provided with V626 speakers to steady the speaker cabinets, especially on carpeting and
uneven oor surfaces. Because most speakers tend to rock back and forth in small increments due to the force of the in/out
motions of speaker drivers, these movements can affect the speakers’ performance. Attach the oor spikes by screwing them
into the pre-drilled holes in the base of the speaker (they will attach through the speaker feet; be sure to attach feet rst) and
tighten the nuts securely. The sharp points will penetrate the carpet to make a more solid contract with the underlying oor
surface.








