User manual

VersiDriveiPROBenutzerhandbuchIndex1.30
www.peter‐electronic.com
3
VersiDriveiPROIP55
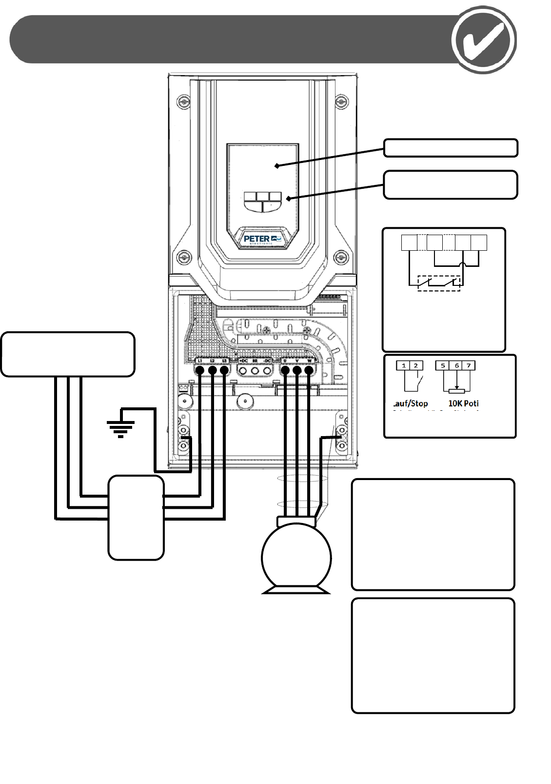
Schnellinbetriebnahme
Display
DieTastenfeld‐Bedienung
findenSieaufSeite29
SichererHalt(STO)
VerbindenSiedieKlemmenwie
obendargestelltüberdenSTO‐
ACVersorgungsanschluss Schaltkreis
200–240Volt+/‐10%
380–480Volt+/‐10%
L3L2L1 PE
Lauf
/Stop10KPoti
Schalter schließen für Lauf (Freigabe)
Schalter öffnen für Stop
Sicherungen Motorkabel
oderMCB DiekorrekteKabelgrößeentnehmenSie
PrüfenSiedie bittedenTechnischenDatenabSeite52
Angabenzur BeachtenSiediemaximalzulässige
Umrichter‐ Motorkabellänge
Bemessung
FürMotorkabellängen>50Meterwird
abSeite20 einAusgangsfilterempfohlen
VerwendenSieeingesc
hirmtesKabel.
DieSchirmungmussanbeidenEndenmit
derErdeverbundenwerden
Motoranschluss
PrüfenSiehinsichtlichStern‐oder
Dreieckschaltung
GebenSiedieDatendesMotor‐
Typenschildeswiefolgtindie
Umrichter‐Parameterein
Motornennspannung:P1‐07
Motornennstrom:P1‐08
Motornennfrequenz:P1‐09
Motornenndrehzahl(optional):P1‐10
M
1 9 12 13