User manual
Table Of Contents
- 1. Sicherheitshinweise
- 2. Konformitätserklärung
- 3. Allgemeine Beschreibung
- 4. Blockschaltbild
- 5. Funktionsbeschreibung (siehe Anschlussplan)
- 6. Steuer-ein und -ausgänge
- 7. Einstellregler
- 8. Technische Daten
- 9. Inbetriebnahme
- 10. Dimensionierungshinweise
- 11. Abmessung
- 12. Anschlussvorschläge
- Ruecken.pdf

VB230/400-6/25/30L (LP) 5
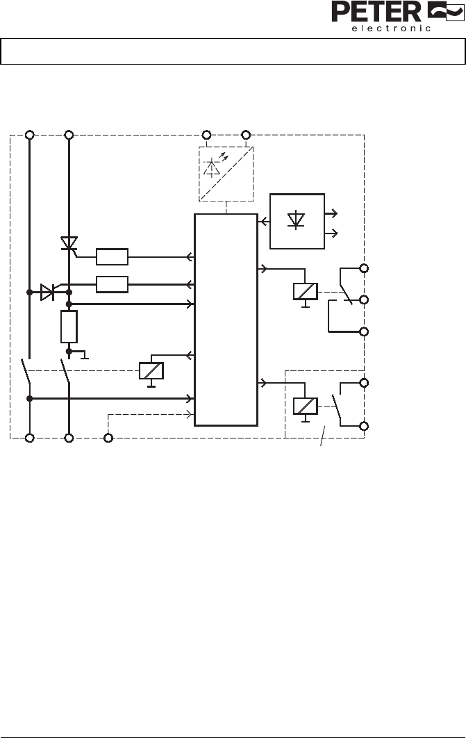
4. Blockschaltbild
5. Funktionsbeschreibung (siehe Anschlussplan)
Erklärung: Bei der Angabe von Bezeichnungen sind diese für die Gehäusevariante
ohne Klammer und diese für die Leiterplattenvariante in Klammer gesetzt.
Nach dem Einschalten der Betriebsspannung an 1L1 (L1) und 3L2 (L2) wird die Hauptschützver-
riegelung X5 (X5), X6 (X6) und bei Leiterplattenausführung der Störmeldekontakt (X10), (X11)
geschlossen. Der Motor kann gestartet werden.
Eine Einschaltlogik stellt sicher, dass beim Einschalten der Anlage mit dem Hauptschalter und
noch ausgeschaltetem Motor keine Bremsung eingeleitet wird.
Der vollautomatische Ablauf des Bremsintervalls beginnt wenn an den Klemmen 2T1 (T1),
4T2
(T2) ein Abfall der Motorspannung erkannt wird. Während der Bremsung ist das Hauptschütz
über den Kontakt X5 (X5), X6 (X6) verriegelt. Nach Ablauf einer Verzögerungszeit, die sich
abhängig von der Höhe der Remanenzspannung des Motors selbst optimiert, zieht das
Brems-
relais
Controller
(L1)
1L1
(L2)
3L2
2T1
(T1)
4T2
(T2)
6T3
(T3)
X5
X6
(X10)
(X11)
Stromerfassung
(X1)
X3
(X2)
X4
Störung
nur bei Leiterplattenausführung (LP)
24V
5V
X7
Verriegelung