User manual
Table Of Contents
- 1. Sicherheitshinweise
- 2. Konformitätserklärung
- 3. Allgemeine Beschreibung
- 4. Blockschaltbild
- 5. Funktionsbeschreibung (siehe Anschlussplan)
- 6. Steuer-ein und -ausgänge
- 7. Einstellregler
- 8. Technische Daten
- 9. Inbetriebnahme
- 10. Dimensionierungshinweise
- 11. Abmessung
- 12. Anschlussvorschläge
- Ruecken.pdf

24 VB230/400-6/25/30L (LP)
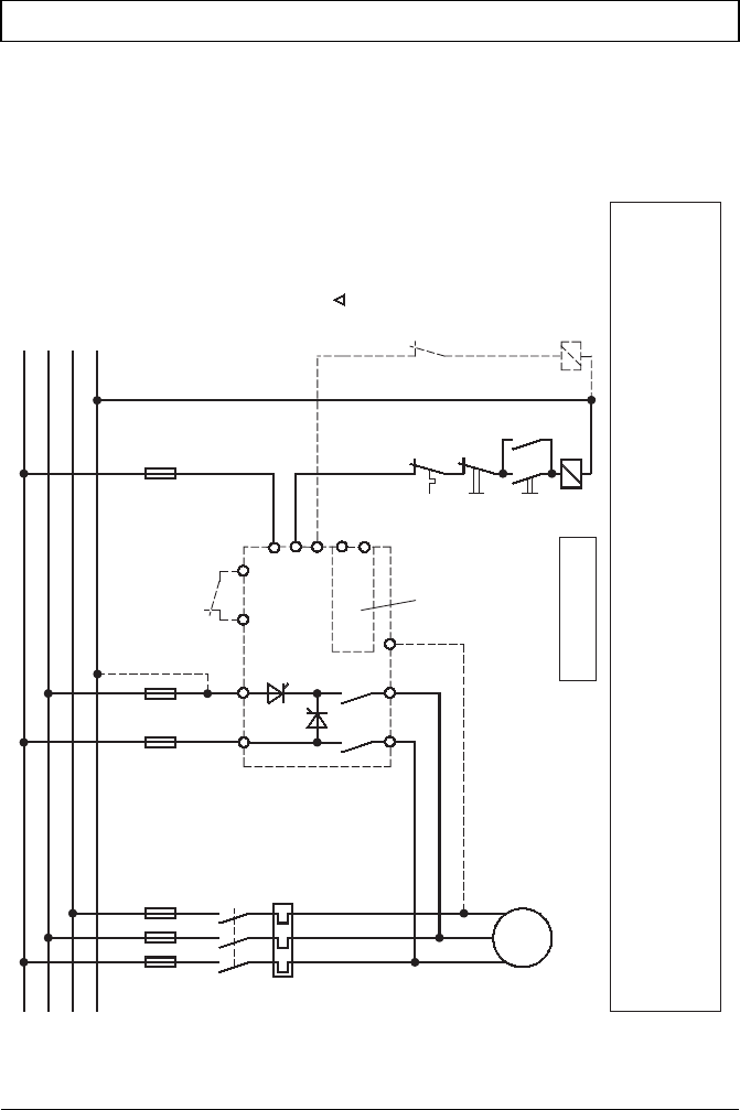
12. Anschlussvorschläge
12.1 Anschlussplan
M
3~
Bitte unbedingt auf Phasengleichheit zwischen
Eingang Bremsgerät (L1, L2) und Ausgang
Bremsgerät (T1, T2) achten.
U
V
W
(T1) (T2)
(T3)
(L1) (L2)
(X1) (X2)
(X7)
F2F1 F3
Öffnerkontakt von K1
nicht unbedingt erforderlich.
F4
AUS
EIN
K1
K1
K1
F4
L1
L2
L3
N
(X10)
(X11)
(X5)
(X6)
Verriegelung
Störmeldung
Y-Schütz
K1
nur bei
Leiterplatten-
version
verfügbar
Der Störmeldekontakt ist
bei Störung geöffnet.
Die Grenzwerte für Emission nach den Gerätenormen schließen die Störung von Empfangsgeräten und empfindlichen elektronischen Geräten in
einem Umkreis von 10m nicht aus. Treten solche Störungen auf, die eindeutig auf den Betrieb der Bremsgeräte "VB" zurückzuführen sind, kann
durch entsprechende Maßnahmen die Störemission reduziert werden.
Solche Maßnahmen sind z.B.:
Das Vorschalten von Drosseln (3mH), das Beschalten der Versorgungsspannungsanschlüsse mit X-Kondensatoren (0,15µF) oder das Vorschalten
eines geeigneten Netzfilters.
EMV
X7 kann bei Anlagen
mit Y - Anlauf zur Ansteuerung
des Y - Schützes beim Bremsen
verwendet werden.
1L1 3L2
2T1 4T2 6T3
( ) Anschlussklemmen bei
Leiterplattenausführung
X3 X4
X5
X6
X7
Anschluss 6T3 nicht
unbedingt erforderlich.
VB 230-...