Corp. PS60, PS84, PR48, PR72 Series Pass-Thru Back Bar Coolers Owner's Manual

Form No. Z2279
Rev 08.01.07
8300 West Good Hope Road • Milwaukee, WI 53223 • Phone 414-353-7060 • Fax 414-353-7069
Toll Free 800-558-5592 • E-Mail: Perlick@Perlick.com • www.Perlick.com
Perlick is committed to continuous improvement. Therefore, we reserve the right to change specifications without prior notice.
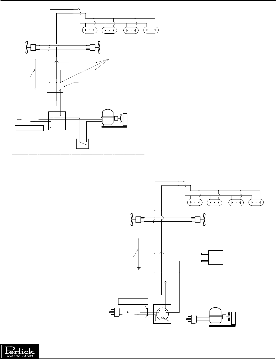
BLACK
BLACK
BLACK
RED
BLACK
WHITE
WHITE
BLACK
BLACK
WHITE
WHITE
GREEN
BLACK
WHITE
GREEN
EVAPORATOR FAN EVAPORATOR FAN
NOTE:
FIELD WIRING FROM CABINET
JUNCTION BOX TO CONDENSING
UNIT MUST COMPLY WITH ALL
LOCAL AND NATIONAL ELECTRICAL
CODES.
CABINET
JUNCTION BOX
CONDENSING UNIT
EVAPORATOR
HOUSING
GROUND WIRE
JUNCTION BOX
PRESSURE SWITCH
FIELD INSTALLED
POWER CONNECTION
THESE WIRES CAPPED IN
SINGLE CABINET
INSTALLATIONS
LIGHT LIGHT LIGHT
LIGHT
WHITE
LIGHT SWITCH
BLACK
BLACK
BLACK
POWER CONNECTION
JUNCTION BOX
CONDENSING UNIT
WHITE
RED
GREEN
BLACK
WHITE
GREEN
BLACK
THERMOSTAT
BLACK
WHITE
WHITE
EVAPORATOR FAN EVAPORATOR FAN
LIGHT LIGHT LIGHT
LIGHT
WHITE
LIGHT SWITCH
EVAPORATOR
HOUSING
GROUND WIRE
Wiring Diagram – Custom Back Bar Cabinets
PR Series Remote
2 and 3 Door
PS Series Self-Contained
2 and 3 Door
8








