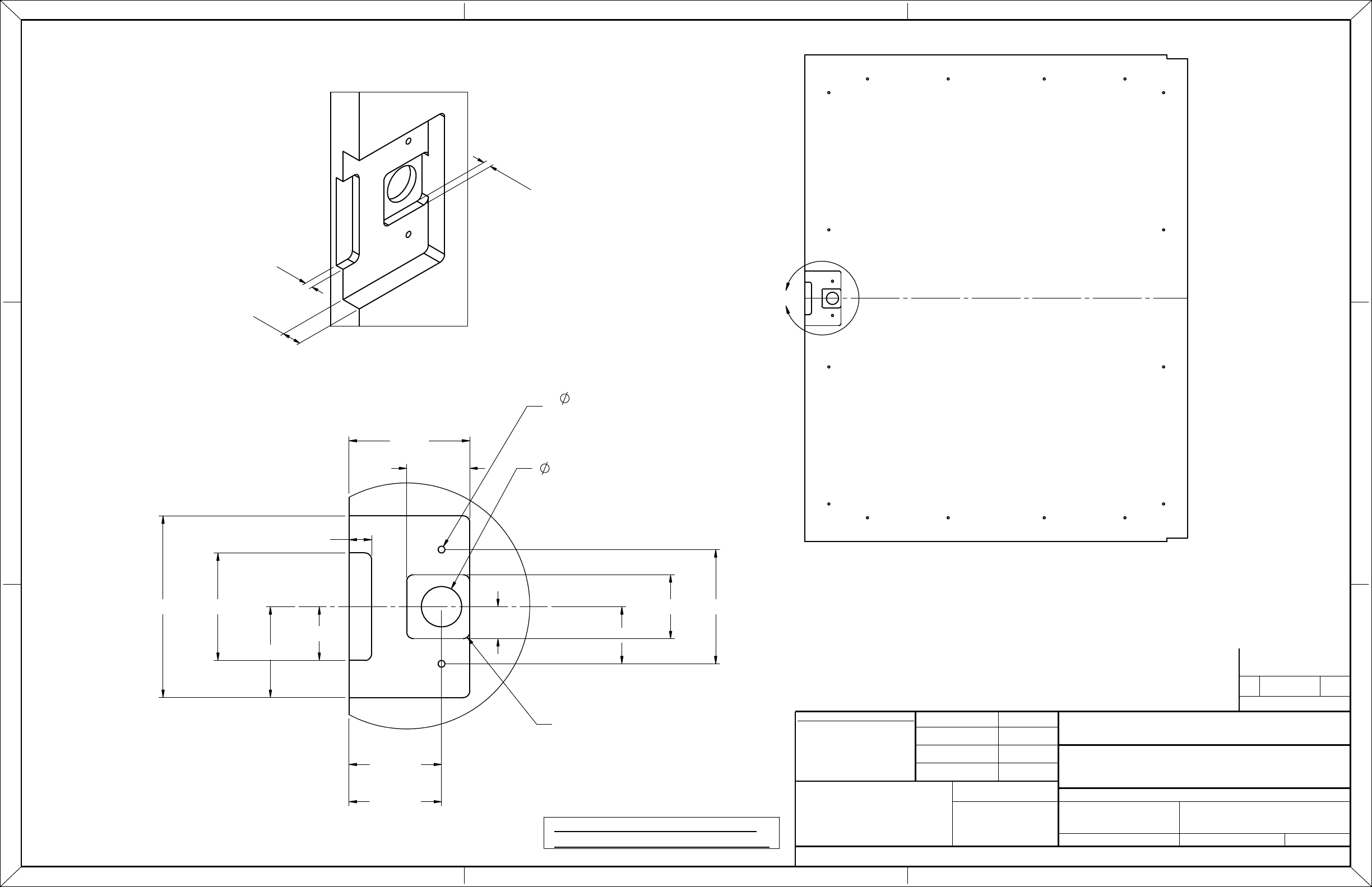
Dimensional Drawing

1"
1 11/16"
19/32"
1 1/16"
27/64"
11/64"
11/64"
2
2
B
A
3
C
B
A
1
C
1
3
SW
THIS DOCUMENT / PUBLICATION / SOFTWARE / DRAWING CONTAINS PROPRIETARY INFORMATION WHICH IS THE PROPERTY OF THE PERLICK CORPORATION. IT MAY NOT BE REPRODUCED OR TRANSMITTED IN ANY FORM, ELECTRONIC OR MECHANICAL,
INCLUDING PHOTOCOPYING, RECORDING, OR USED IN ANYINFORMATION STORAGE, TRANSMISSION, OR RETRIEVAL SYSTEM, WITHOUT WRITTEN PERMISSION FROM THE PERLICK CORPORATION. COPYRIGHT 2001 PERLICK CORPORATION. ALL RIGHTS RESERVED.
SHEET 15 OF 16
SCALE =
TITLE:
Perlick Corporation
MATERIAL:
DATE
SIGNATURES
DESIGNED
DRAWN
CHECKED
Milwaukee, Wisconsin
PURCHASE REC.:
REFERENCE:
UNLESS OTHERWISE SPECIFIED:
PART NO.
DWG NO.
REVISIONS
SOLID WOOD OVERLAY
RESIDENTIAL DOORS W/LOCKS
68134A
JMP
11/10/2015
JMP
11/10/2015
11/10/2015
1:5
QTY.:
FINISH:
A 11/10/2015
RELEASE FOR PRODUCTION
BREAK SHARP EDGES - 015 X 45°.
RADIUS SHARP FILLETS - .015 TO .031
DIMENSIONS ARE IN INCHES
TOLERANCES:
.X= ±.05,
.XX = ±.01,
.XXX = ±.005,
ANGULAR: ±.5°, FRACTIONS: ±1/64
JMP
J:\Dwg\68000\68134A.slddrw
NOTE: VALID FOR ANY ORDERS
ENTER ON OR AFTER JAN. 1, 2016
SCALE 1 : 1.5
DETAIL A
C
L
3 3/8" 2" 1 3/16" 2 1/8"
2 1/4"
1 11/64"
1 23/32"
1 23/32"
3/4" THRU
R1/8" TYP
1/8"
1/4" DEEP
27/64"
C
L
BACK
VIEW
INSIDE
A


