HC24 Operation and Installation Manual
Manuals
Brands
Perlick Manuals
Appliances
Wine Cooler
11
12
13
14
15
16
17
18
19
20
15
Operation & Installation Manual
C-Series (HC24 models)
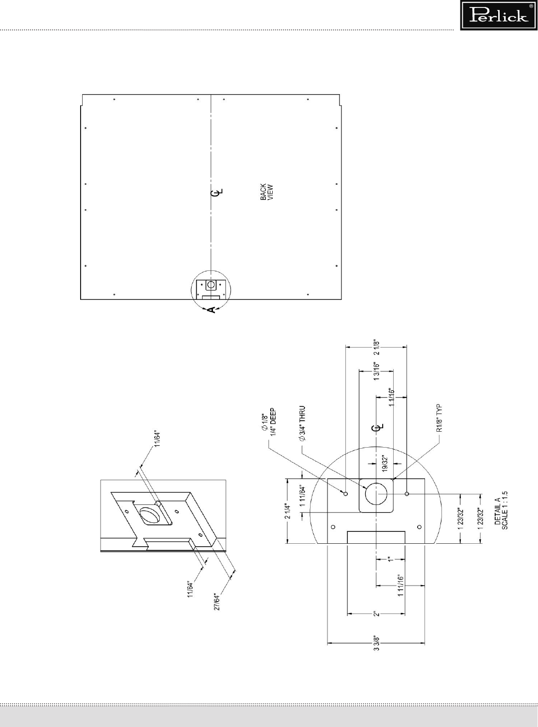
F
igure 16 - L
ock installation, solid wood overlay door panel
1
...
...
13
14
15
16
17
...
...
23