Service Manual
Manuals
Brands
Perlick Manuals
Refrigerator
Perlick CR30R12L
81
82
83
84
85
86
87
88
89
90
Column Refrigeration Service Manual
Return to
T
able of Contents
90
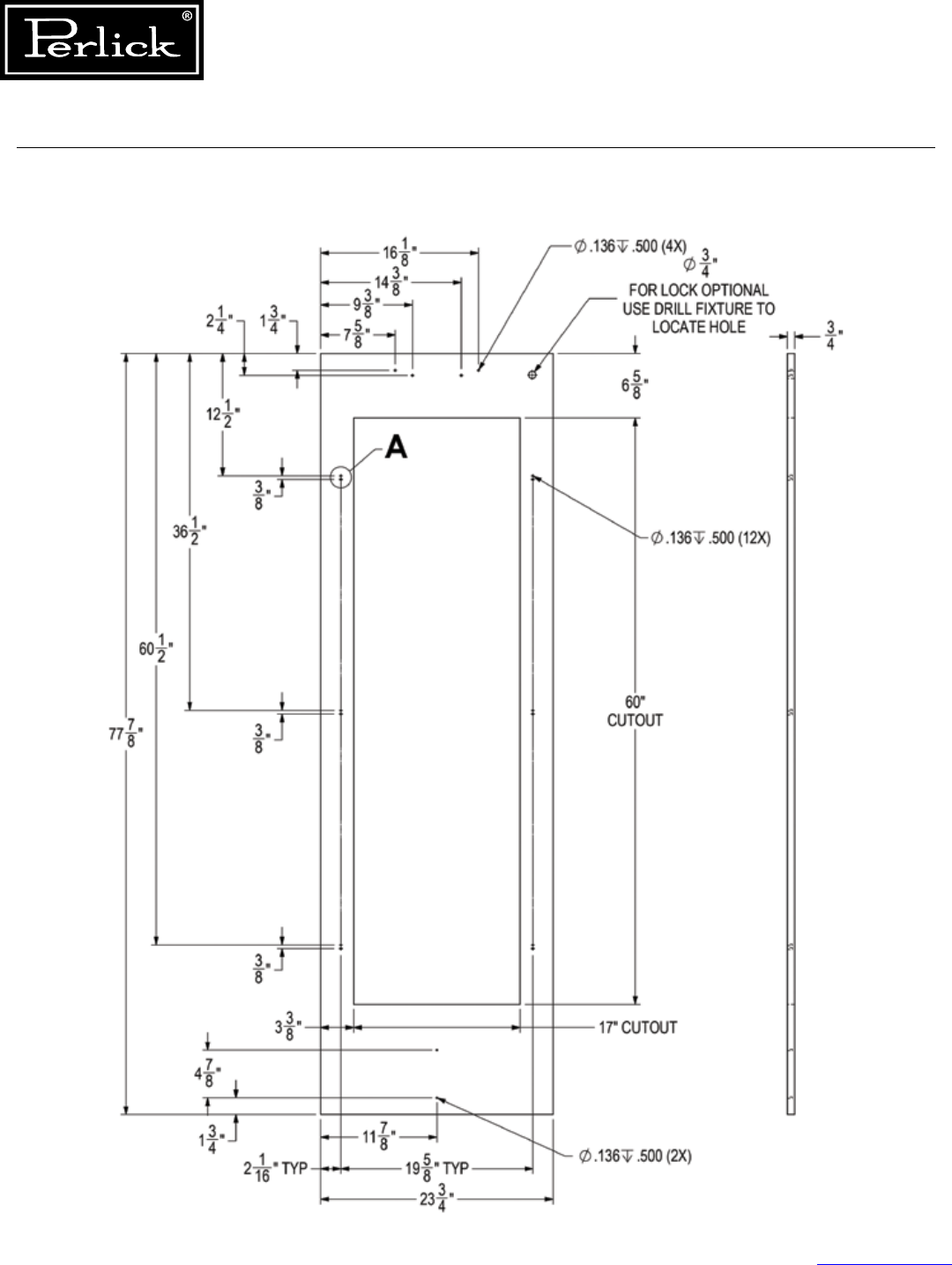
8.12.6 CR24 Glass Door Template For 6” Toe Kick
Figure 8-11.6. CR24 Glass Door T
emplate
for 6” T
oe Kick
1
...
...
88
89
90
91
92
...
...
133