User Guide

5
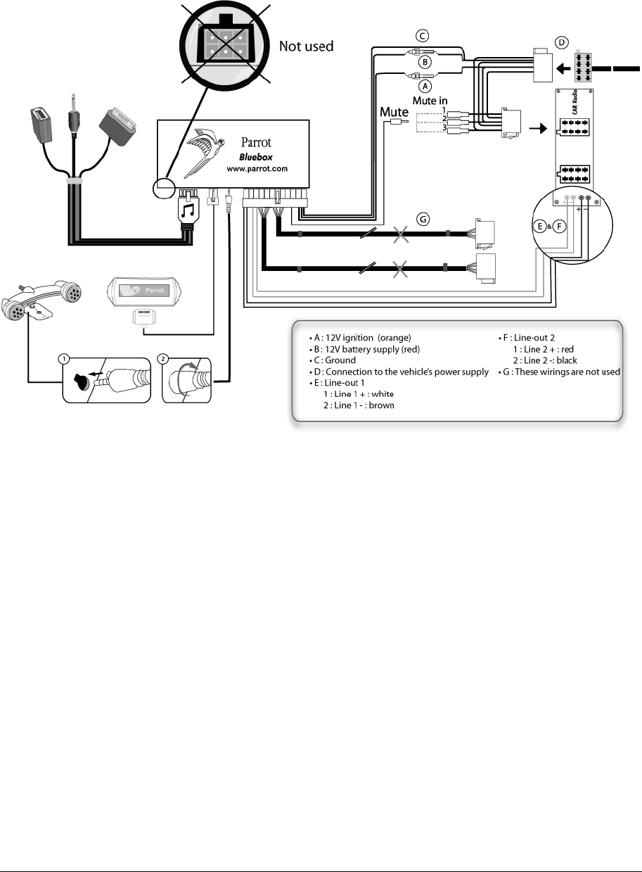
On the installation cable, connect the free yellow wire to the corresponding audio system‟s
mute-input if available (mute in 1, mute in 2 or mute in 3).
Installing the electronic box
Avoid installing the electronic box near heating or air-conditioning system, on a spot directly
exposed to sunlight or behind metal walls.
Make sure the electronic box stays fixed once it is installed and that it will not move while
you are driving.
Do not reinstall the car stereo forcibly. If you are short of space behind the car stereo to
install the electronic box, consider installing it in the glove box.










