User Guide

4
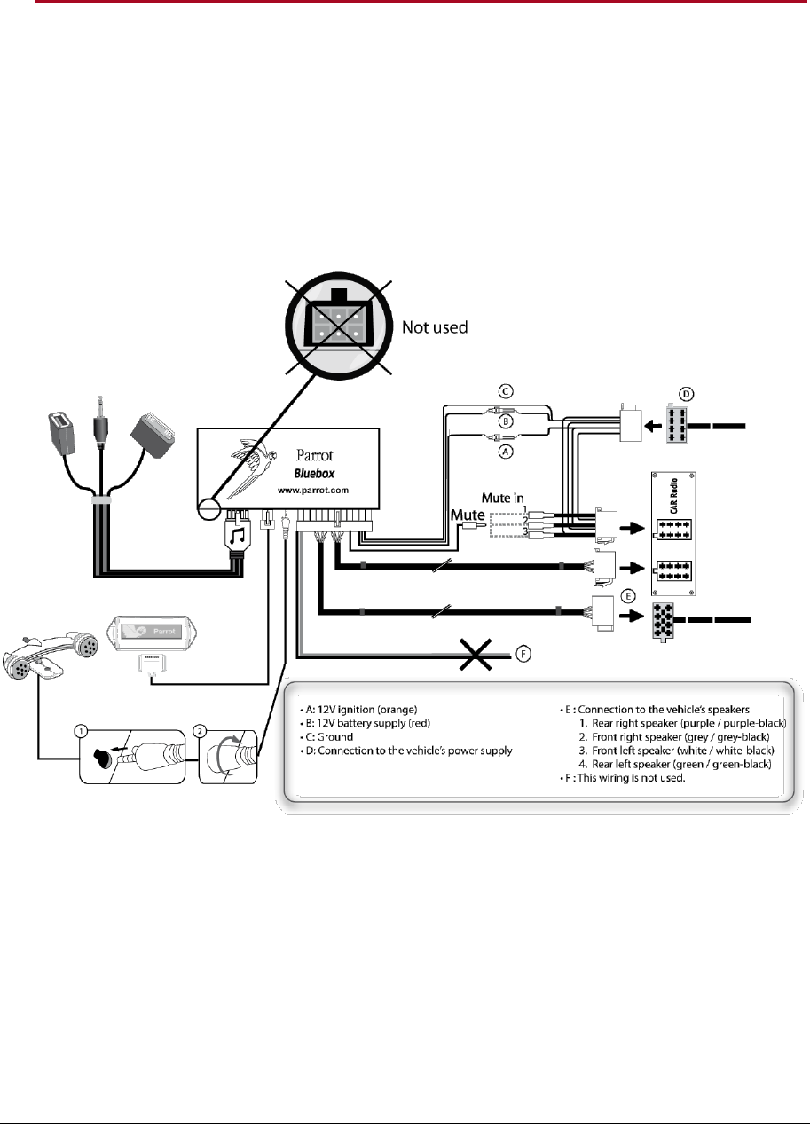
Installing the kit
Car stereo with ISO connectors
1. Connect the male connectors of the hands-free kit to the car stereo.
2. Join the vehicle‟s audio and power supply cables to the female connectors of the Parrot
MKi9100.
3. On the installation cable, connect the free yellow wire to one of the audio system‟s
corresponding mute-in jacks if available (mute in 1, mute in 2 or mute in 3).
Car stereo with line-in
Use this type of connection by wiring the line-out (brown & white wire or red & black wire) to
your car stereo‟s line-in.
Using the two pairs of line-out will enable you to take advantage of the music function in
stereo over your vehicle‟s speakers.










