User's Manual
Table Of Contents

COMSPHERE 3600 Series Data Service Units
5-14 March 1999 3610-A2-GB41-60
For a DSU configured as a central-site bridge with
configuration option Bridge Rate set to =DDS, one of the
following two screens appears:
F1
DBM: Brdg with DDS
Bkup
F2
F3
F1
DBM: Brdg w/o DDS
DrBU
F2
F3
For a DSU configured as a central-site bridge with
configuration option Bridge Rate set to =DSU, the
following screen is displayed.
F1
DBM: Inactiv Brdg
Bkup
F2
F3
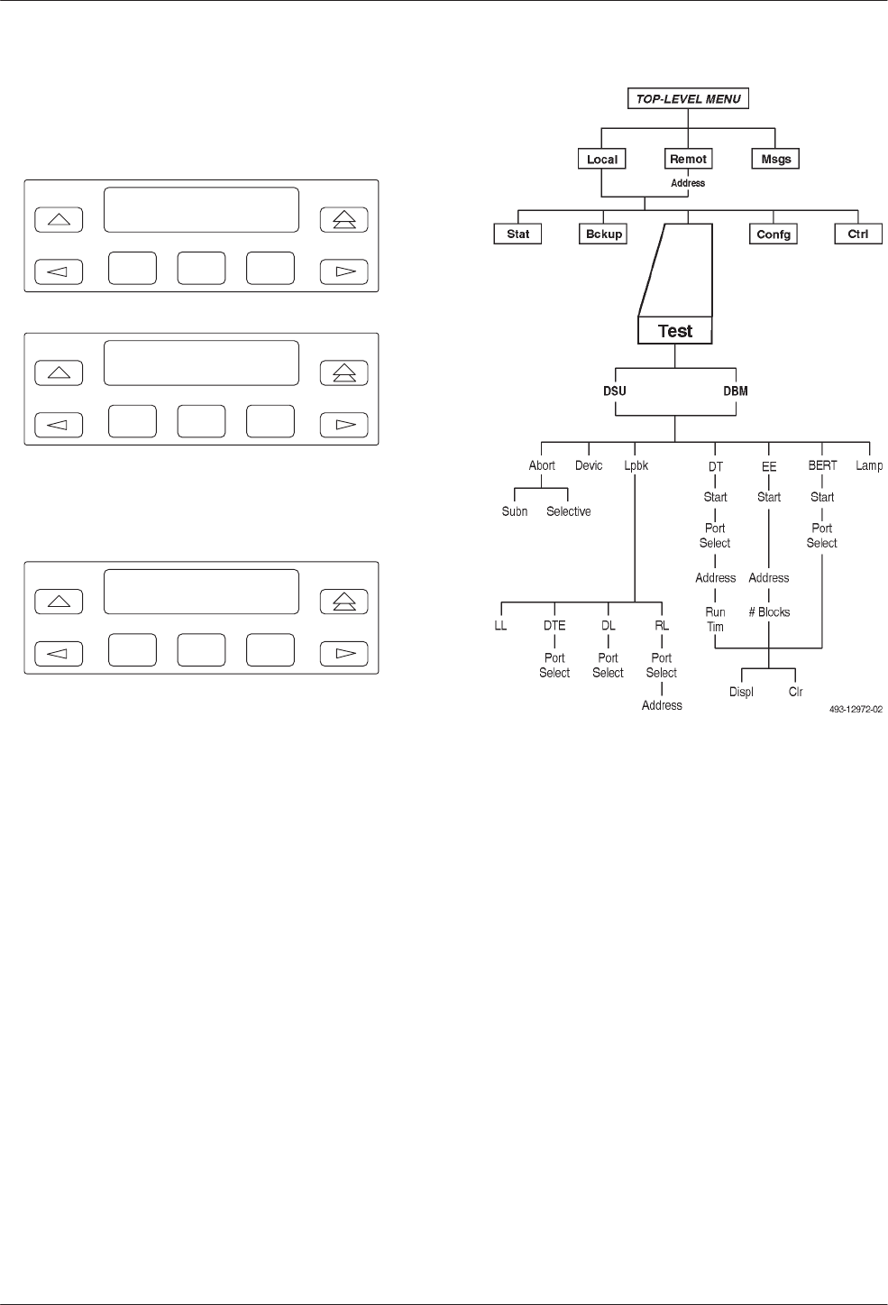
Test Branch
The Test branch provides extensive testing capabilities
for the DSU, DDS circuit, DBM, and backup circuit.
For a DSU that is performing a multiplexing function
such as rate adaption, nondisruptive diagnostics, TDM or
MCMP, you can request tests on individual ports or on the
aggregate data path. Local Loopback (LL) and
End-to-End (EE) tests, however, can only be run on the
aggregate data path.
Tests that are performed on the aggregate data stream
test the entire bandwidth. Therefore, during aggregate
tests, in-band secondary channel transport communication
is lost. For tests such as aggregate Digital Loopback (DL),
the control DSU reports a No Response or a TribTimOut
alarm for downstream devices.
When a DSU receives a test request from the remote
DSU, it aborts any locally-initiated test in progress. A
point-to-point control or tributary DSU, or a multipoint
control DSU, can run all of the tests on the Test menu. A
multipoint tributary cannot run any remote tests or a
BERT, Digital Test (DT), or EE test.
There are a number of tests that can be initiated,
depending upon your configuration. To determine the
appropriate test(s) to run for a DBM (or DBM-V, DBM-S,
or DBM-D), see Table 5-3 of the COMSPHERE
3600 Series Data Service Units, Models 3610 and 3611,
Dial Backup Module and SNA Diagnostic Interface
Options, Applications Guide. To determine the
appropriate test(s) to run for a DSU and for additional
information, refer to the COMSPHERE 3600 Series Data
Service Units, Models 3610 and 3611, Operator’s Guide.










