User's Manual
Table Of Contents

COMSPHERE 3600 Series Data Service Units
4-56 March 1999 3610-A2-GB41-60
Multipoint Dial Backup
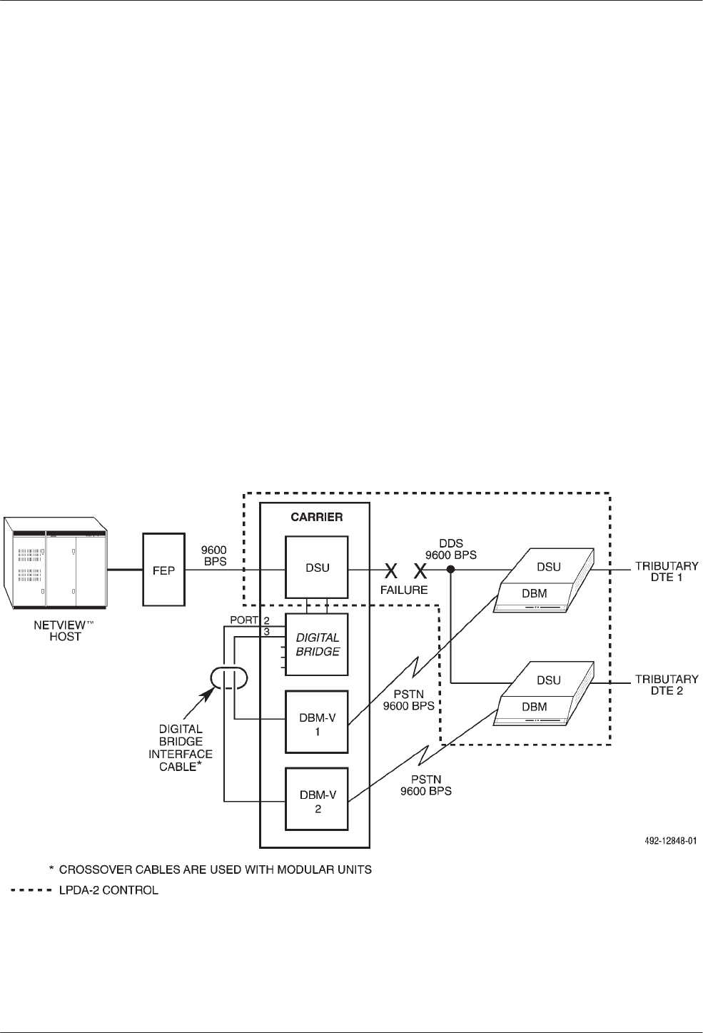
The 3600 Series DSUs continue to support the
DSU/CSU and Line Status command and the
Transmit/Receive Test during a multipoint dial backup.
The Call Out and Disconnect commands are not supported
in multipoint dial backup. During a full or partial
multipoint dial backup, LPDA-2 commands continue to
operate between the control and tributary DSU-DBM,
although the digital bridge and DBM-Vs are transparent to
this operation.
During backup, the control DSU reports only DDS line
quality while the tributary DSUs report the DDS and
PSTN line quality, just as in point-to-point backup
(Figure 4-43).
Multiplexing with TDM or MCMP
The 3600 Series DSUs equipped with TDM or MCMP
accommodate LPDA-2 monitoring on Port 1. NetView
treats the TDM as a single point-to-point circuit and the
MCMP as a single multipoint circuit.
For TDM, LPDA-2 commands issued from NetView
only affect Port 1 when nondisruptive diagnostics are
used; they affect all ports when disruptive diagnostics are
used. For MCMP, commands issued from NetView only
affect Port 1 of the control and tributary DSUs, unless
Port 1 is in a digital-sharing group at the tributary DSU.
Figure 4-44 shows a TDM circuit with LPDA-2
monitoring. The circuit extension to the controller having
PU address = 1 is the standard application for TDM when
an extended circuit is used. The cluster controllers
connected to the remaining ports are not supported by
LPDA-2 monitoring, although full support is provided
from NMS.
An example of an MCMP circuit with LPDA-2
monitoring is shown in Figure 4-45. MCMP is essentially
the same as TDM for LPDA-2 monitoring.
Figure 4-43. Multipoint Dial Backup with LPDA-2










