Copier User Manual
Manuals
Brands
Panasonic Manuals
All in One Printer
FP7742
1
2
3
4
5
6
7
8
9
10
Table Of Contents
TABLE OF CONTENTS
PRECAUTIONS
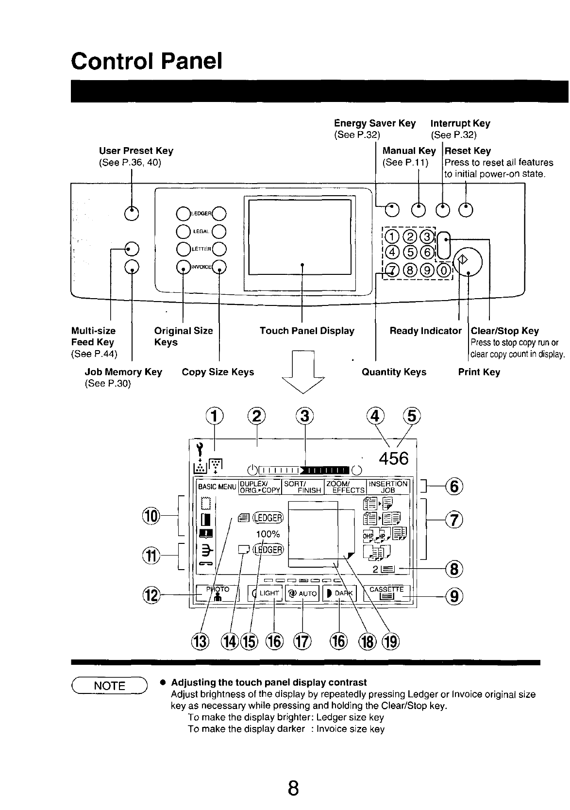
CONTROL PANEL
MAKING COPIES
BASIC MENU
DUPLEX/ORIGINAL COPY
SORT/FINISHING
ZOOM/EFFECTS
INSERTION JOB
OTHER FEATURES
COMBINING FUNCTION TABLE
USER PRESET
OPTIONS
COMPONENTS
I-ADF/ADF
SORTER
MAINTENANCE
HANDLING
CHECKING
SPECIFICATIONS
FP-7735MX/7742/7750, FA-A888/A505
FA-S575/S680, FA-DS72/DS82, FA-MA301
FA-S685/S690
1
...
...
6
7
8
9
10
...
...
64