
FR p. 19
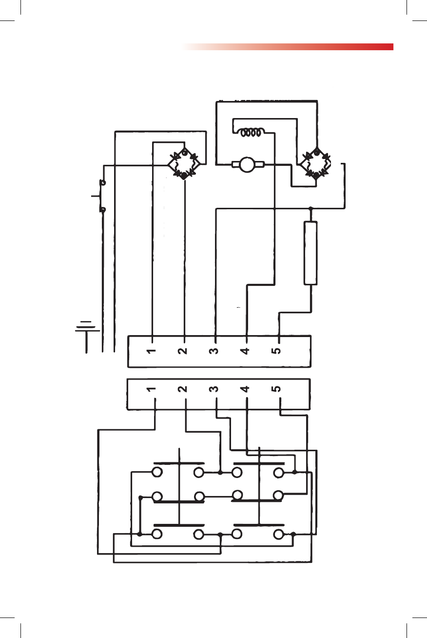
11. SCHÉMA DE CÂBLAGE :
Pour OZ1000EC et OZ2000EC
SECTION PALAN
SECTION INTERRUPTEUR À BOUTON-POUSSOIR
Résistance
Jaune
Rouge
Mise à la terre Fusible
Recticateur de pont
Recticateur de pont
Rotor de
moteur
115 V
Alimentation c.a.
L
D
Haut
Bas
Prise de câble d’interrupteur
Noir
Blanc
Vert