Instruction Manual 7.1ch Home Theater System HT-S790

Table Of Contents
25
Connecting Your Components
—Continued
•With connection , you can listen to and record audio from a DVD and listen via speaker set B.
•To enjoy Dolby Digital and DTS, use connection or . (For recording, use and , or and .)
If your DVD player has main left and right outputs and multichannel left and right outputs, be sure to use the
main left and right outputs for connection .
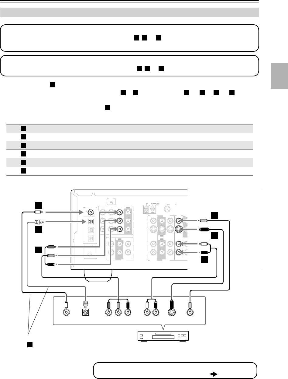
Connecting a DVD player
Connection AV receiver Signal flow DVD player Picture quality
COMPONENT VIDEO DVD IN
Component video output
Best
DVD IN S
S-Video output Better
DVD IN V
Composite video output
Standard
DVD IN FRONT
Analog audio L/R output
DIGITAL IN COAXIAL
Digital coaxial output
DIGITAL IN OPTICAL 1
Digital optical output
Step 1: Video Connection
Choose a video connection that matches your DVD player ( , , or
), and then make the connection.
You must connect the AV receiver to your TV via the same type of connection.
A B C
Step 2: Audio Connection
Choose an audio connection that matches your DVD player ( , , or ), and then make the connection.
a
b c
a
b c a b a c
a
A
B
C
a
b
c
COA
XIAL
REMOTE
CONTROL
OPTICAL
1
Y
P
B
PR
2
3
DIGITAL IN
L
R
L
R
L
L
L
R
R
L
R
R
V
S
CD TAPE
XM
ANTENNA
FM
AM
75
COMPONENT
VIDEO 2 IN
IN IN
OUT
OUT
IN IN
OUT
IN IN IN
OUT
VIDEO 1 IN DVD IN
VIDEO
VIDEO 2 VIDEO 1
VIDEO 2 VIDEO 1 DVD
DVD
MONITOR
OUT
SURROUND BACK
SPEAKERS
SURROUND
SPEAKERS
PRE OUT
SUB
WOOFER
SUB
WOOFER
FRONT
SURROUND
SURR BACK
CENTER
FRONT
SPEAKERS A
FRONT
SPEAKERS B
YCOAXIAL
OUT
PB
COMPONENT VIDEO OUT
P
R S VIDEO
OUT
AUDIO
OUT
VIDEO
OUT
LR
OPTICAL
OUT
b
c
A
B
C
B
a
C
DVD player
To connect a DVD player or DVD-Audio/SACD-capable player with a
multichannel analog audio output, see page 26.
Connect one or the other
Connection must be assigned (see page 35)
c
HT-S790_En.book Page 25 Friday, February 17, 2006 3:28 PM