Operation Manual
Manuals
Brands
Onkyo Manuals
Other
M-5000R
21
22
23
24
25
26
27
28
29
30
Table Of Contents
Italiano
Introduzione
Istruzioni importanti per la sicurezza
Precauzioni
Amplificatore Precauzioni
Ventilazione
Posizione e spazi per l'installazione
Cavo di alimentazione
Diffusori
Manutenzione
Altro
Forti temporali
Alimentazione
Caratteristiche
Tecnologia
Diagramma di flusso
Accessori in dotazione
Descrizione dettagliata dell'Amplificatore di potenza
Pannello anteriore
Pannello posteriore
Installazione dell'Amplificatore di potenza
Collegamenti
Collegamenti
Cavi e jack
Collegamento del cavo di alimentazione
Collegamento di un Preamplificatore
Accensione e funzioni di base
Funzioni di base
Accensione dell' Amplificatore di potenza
Spegnimento dell'Amplificatore di potenza
Attivazione dell'intervallo di potenza
Impostazione dello Standby Automatico (ASb)
Varie
Risoluzione dei problemi
Specifiche tecniche
Deutsch
Einführung
Wichtige Sicherheitshinweise
Vorsichtsmaßnahmen
Verstärker Vorsichtsmaßnahmen
Belüftung
Aufstellungsort und Platz
Netzkabel
Lautsprecher
Pflege
Sonstiges
Gewitter
Strom
Funktionen
Technologie
Blockdiagramm
Lieferumfang
Den Leistungsverstärker kennenlernen
Frontplatte
Rückseite
Installation des Leistungsverstärker
Anschlüsse
Anschlüsse
Kabel und Buchsen
Anschließen des Netzkabels
Anschließen eines Vorverstärker
Einschalten & grundlegende Bedienung
Grundlegende Bedienung
Einschalten der Leistungsverstärker
Ausschalten des Leistungsverstärker
Umschalten des Bereichs der Strommessung
Einstellung des Auto-Standby (ASb)
Sonstiges
Fehlersuche
Technische Daten
8
De
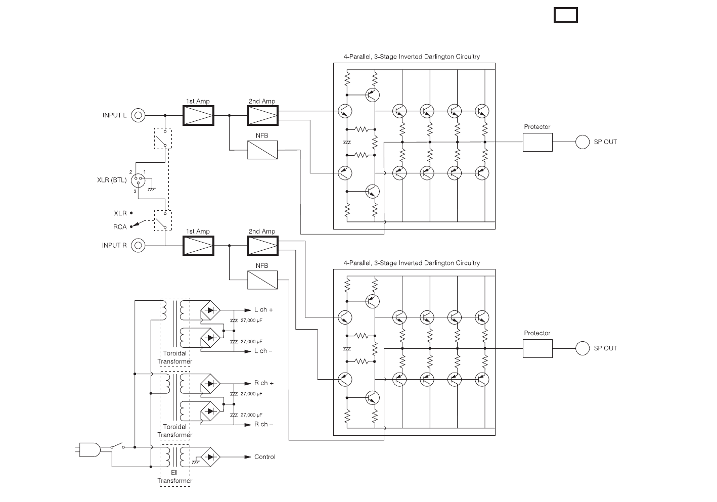
Bloc
kdiagramm
DIDRC
(Dynamic Intermodulation Distor
tion Reduction Circuitry)
1
...
...
28
29
30
31
32
...
...
48