Operation Manual
Table Of Contents
- Italiano
- Deutsch

18
It
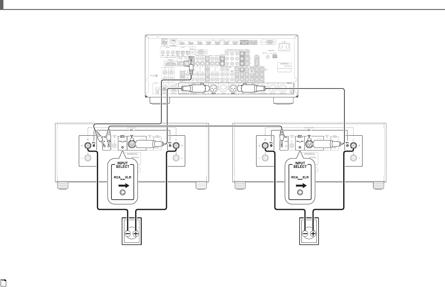
Questo è uno schema esemplificativo di collegamento a ponte utilizzando il controllore AV PR-SC5508.
Nota
• Quando si utilizzano gli ingressi XLR, non collegare niente agli ingressi RCA. In questo modo si potrebbe danneggiare l'amplificatore di potenza.
• Assicurarsi che il cavo XLR non sia danneggiato. Il cavo XLR danneggiato potrebbe provocare rumore.
• L'amplificatore di potenza utilizza il tipo europeo di jack XLR (pin 2 hot). Se il controllore AV/preamplificatore con il jack di tipo USA (pin 3 hot) è collegato, la fase sarà invertita. In questo caso, invertire la polarità del
collegamento dei diffusori.
• Impostare l'interruttore INPUT SELECT su XLR.
Connessione Ponte
Controllore AV PR-SC5508
Amplificatore di potenza M-5000R Amplificatore di potenza M-5000R
Diffusore destro Diffusore sinistro










