Instruction Manual 7.1ch Home Theater System HT-S790
Table Of Contents
- Instruction Manual
- Important Safety Instructions
- Precautions
- Speaker Precautions
- Enjoying Home Theater
- Package Contents
- Features
- Contents
- Getting to Know the AV Receiver
- Remote Controller
- Speakers
- Connecting Your Speakers
- Connecting Antennas
- Connecting Your Components
- About AV Connections
- Connecting Audio and Video Signals to the AV Receiver
- Which Connections Should I Use?
- Connecting a TV or Projector
- Connecting a DVD player
- Connecting a VCR or DVD Recorder for Playback
- Connecting a VCR or DVD Recorder for Recording
- Connecting a Camcorder, Games Console, or Other Device
- Connecting a Satellite, Cable, Set-top box, or Other Video Source
- Connecting a CD Player or Turntable
- Connecting an HDD-compatible Component
- Connecting a Cassette, CDR, MiniDisc, or DAT Recorder
- Connecting the Power Cord of Another Component
- Connecting Onkyo Components
- Connecting the Power Cord
- Turning On the AV Receiver
- First Time Setup
- Playing Your AV Components
- Listening to the Radio
- Common Functions
- Using the Listening Modes
- Advanced Setup
- Recording
- Controlling Other Components
- Troubleshooting
- Specifications
- Remote Control Codes

24
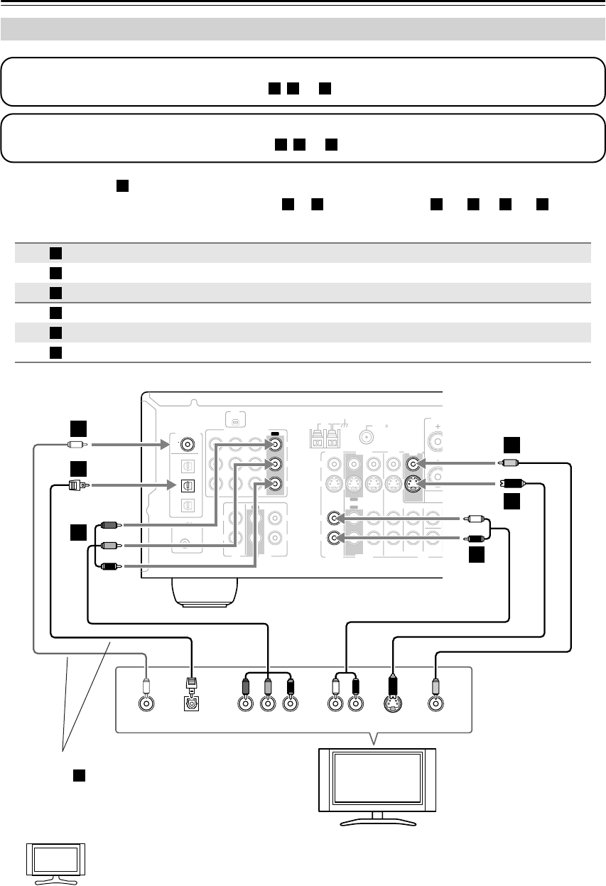
Connecting Your Components
—Continued
•With connection , you can listen to and record audio from your TV and listen via speaker set B.
•To enjoy Dolby Digital and DTS, use connection or . (For recording, use and , or and .)
If your TV has no audio outputs, connect an audio output from your VCR or cable or satellite
receiver to the AV receiver and use its tuner to listen to TV programs through the AV receiver (see
pages 27 and 29).
Connecting a TV or Projector
Connection AV receiver Signal flow TV Picture quality
COMPONENT VIDEO OUT
⇒
Component video input
Best
MONITOR OUT S
⇒
S-Video input Better
MONITOR OUT V
⇒
Composite video input
Standard
VIDEO 2 IN L/R
⇐
Analog audio L/R output
DIGITAL IN COAXIAL
⇐
Digital coaxial output
DIGITAL IN OPTICAL 2
⇐
Digital optical output
Step 1: Video Connection
Choose a video connection that matches your TV ( , , or ), and then make the connection.
A B
C
Step 2: Audio Connection
Choose an audio connection that matches your TV ( , , or ), and then make the connection.
a b c
a
b
c
a
b
a c
A
B
C
a
b
c
COA
XIAL
REMOTE
CONTROL
OPTICAL
1
Y
P
B
PR
2
3
DIGITAL IN
L
R
L
R
L
L
L
R
R
L
R
R
V
S
CD TAPE
XM
ANTENNA
FM
AM
75
COMPONENT
VIDEO 2 IN
IN IN
OUT
OUT
IN IN
OUT
IN IN IN
OUT
VIDEO 1 IN DVD IN
VIDEO
VIDEO 2 VIDEO 1
VIDEO 2 VIDEO 1 DVD
DVD
MONITOR
OUT
SURROUND BACK
SPEAKERS
SURROUND
SPEAKERS
PRE OUT
SUB
WOOFER
SUB
WOOFER
FRONT
SURROUND
SURR BACK
CENTER
FRONT
SPEAKERS A
FRONT
SPEAKERS B
C
S
YCOAXIAL
OUT
PB
COMPONENT VIDEO IN
P
R S VIDEO
IN
AUDIO
OUT
VIDEO
IN
LR
OPTICAL
OUT
b
c
A
B
C
B
a
C
TV, projector,
etc.
Connect one or the other
Connection must be assigned (see page 35)
b
Hint!
HT-S790_En.book Page 24 Friday, February 17, 2006 3:28 PM










